EasyManua.ls Logo

Cushman 898628 - Page 161

Cushman 898628
186 pages
Print Icon
To Next Page IconTo Next Page
To Next Page IconTo Next Page
To Previous Page IconTo Previous Page
To Previous Page IconTo Previous Page
Loading...
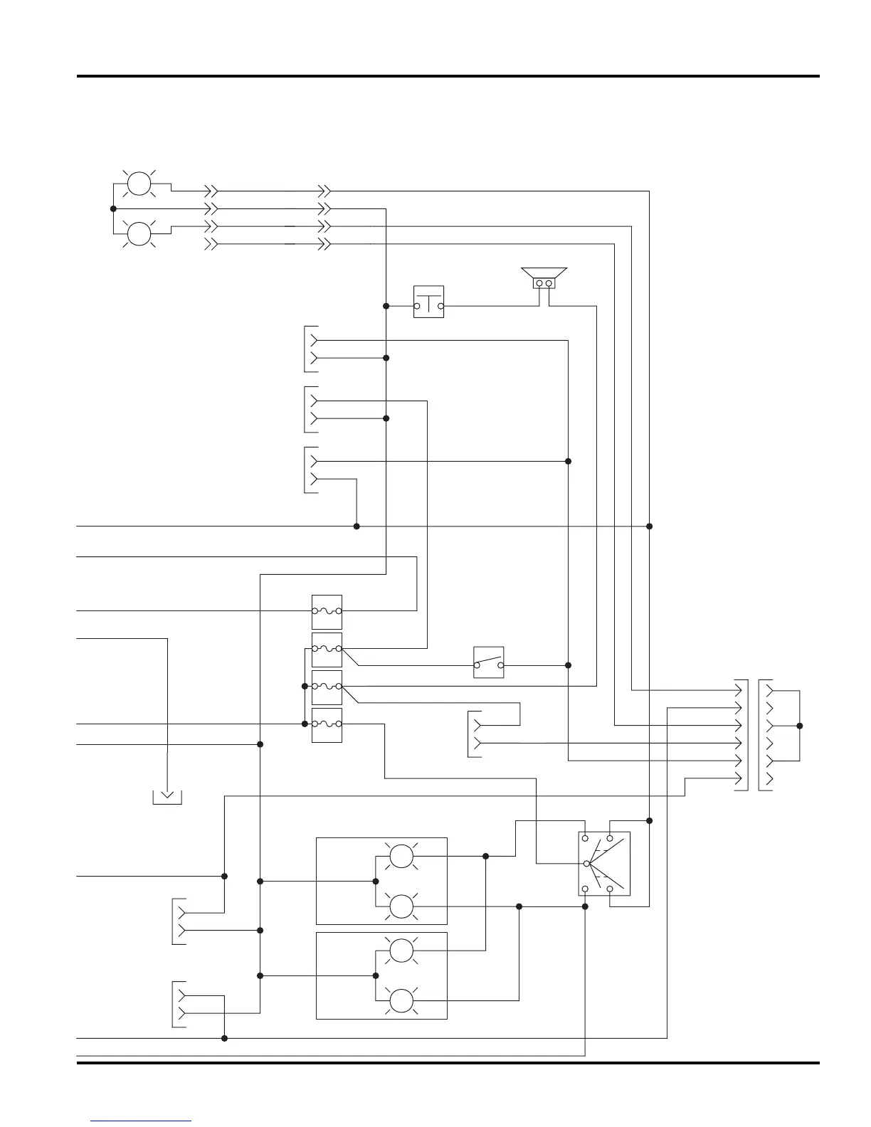
125
Wh/Bn
Main Harness to
Engine Harness
Connector 4
(Gas Units)
Turn Signal
Accessory
Bk
Bk
Bk
Bk
Bk
Bn
Wh/Rd
Wh/Rd
Rd
Ye
Ye
Ye/Rd Ye/Rd
Wh/Og
Wh/Bu
Wh/Og
Brake
Accessory
Connector 1
Bk
BkBk
BnBn
Bk
Bu/BkBu/BkOg
Rd/Bk
Bu/Bk
Rd/Bk
Rd/Bk
Bn
Bk Bk Bk Rd
Og/Bk
Og/Bk
Og/Bk
Og/Bk
Gn/Bk
Ye/Bk
Gn/Bk
Bu
Wh/Og
Wh/Bu
Bu
Bu Bn
Bn
Wh
Wh Wh
Gn/Bk
Ye/Bk
Ye/Bk
Og
Og
Og
Cab Stop
Light
Accessory
Right Turn
Signal Light
Accessory
Left Turn
Signal Light
Accessory
Brake
Accessory
Connector 2
Horn
Button
15 A
10 A
10 A
15 A
Horn
Brake
Pedal
Switch
Flasher
(Turn Signal
Accessory)
Single
Tail Light
Harness
Jumper
Plug
Low Beam
High Beam
Low Beam
High Beam
Brake
Light
Tail
Light
Right Headlight
Left Headlight
TURF TRUCKSTER

Table of Contents

Other manuals for Cushman 898628

Related product manuals