EasyManua.ls Logo

Cushman 898628 - Page 162

Cushman 898628
186 pages
Print Icon
To Next Page IconTo Next Page
To Next Page IconTo Next Page
To Previous Page IconTo Previous Page
To Previous Page IconTo Previous Page
Loading...
126
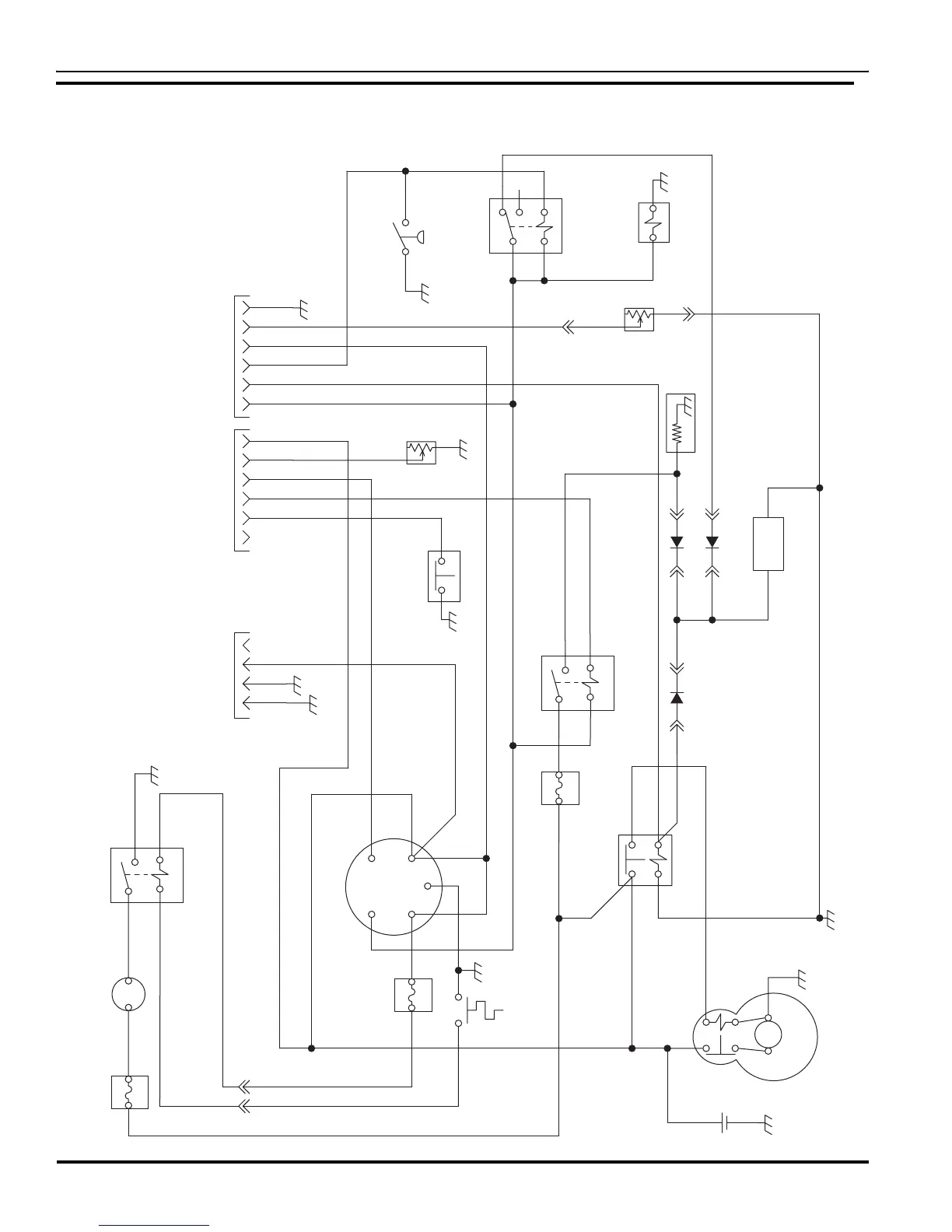
B
B
P
S
G
EXC
S
Pk
Pk
Wh
Bk
Bk
Bk
Gn
Ye
Gn Gn Ye
Bu
Bu
Ye
Wh/Rd
Wh/Gn
Wh/Gn
Wh/GnWh/Gn
Wh/Bk Ye
Ye
Ye
Wh/Bk
Pk/Bu
Wh/Bk
Wh/Bk
Pk/Bu
Wh/YeWh/Ye
Wh/Rd
Rd/Bk
Rd/Bk
Wh/Gn
Wh/Gn
Wh/Gn
Wh/Rd
Wh/Bk
Wh
Wh
Gn Gn
Gn
Gn
Wh/Rd
Rd
RdRdRd
Rd
Rd Rd
Bn
Rd
Rd
Rd
Rd
Rd
Rd
Rd
Rd
Rd
Bk
Bk
Bk
Og
Og
40 A
Starter
Starter
Solenoid
Diode Diode
Diode
Fuel
Pump
Fuel
Sender
Fuel
Solenoid
Fuel
Shutoff
Relay
Temp
Sender
Main Harness
Connector 1
Main Harness
Connector 2
Main Harness
Connector 3
Glow
Plugs
Fan
Relay
Fan
Switch
Fan
Motor
Pre-Heat
Relay
Alternator
25 A
40 A
Bk
Bk
Bk
Bk
Bk
30
8586
87
87A
Oil Pressure
Switch
Parking Brake
Switch
TURF TRUCKSTER

Table of Contents

Other manuals for Cushman 898628

Related product manuals