EasyManua.ls Logo

Cushman 898628 - Page 169

Cushman 898628
186 pages
Print Icon
To Next Page IconTo Next Page
To Next Page IconTo Next Page
To Previous Page IconTo Previous Page
To Previous Page IconTo Previous Page
Loading...
133
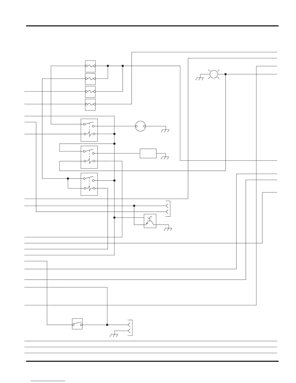
10 A
10 A
15 A
25 A
Bk
Bk
Bk/Rd
Ye Ye
Rd/Ye
Rd/Bk
Rd/Og
Gn/Bk
Bk/Rd
Bk/Rd
Bk/Rd
Bk/Rd
Bk/Rd
Bk/Rd
Pk/GnPk/Gn
Bu
Bu
Bk/Wh
Wh/Rd
Wh/Rd
Wh/Rd
Gn/Wh
Bn/Ye
Gn/Wh
Bn/Ye
Pk
Pk/Bu Pk/Bu
Bk/Gn
Bk/Gn
Backup Alarm
Bk
Speedometer
Signal
Speed
Sensor
OgOg
Og
Wh/Rd
Wh/Rd
Bk
Fuel
Pump
Fan
Motor
Fuel
Relay
Fan
Relay
Main
Relay
Shifter
Light
Rd
Rd
Rd
Bn/Ye
Reverse Switch
(Manual Transmission)
Bk/WhBk/Wh
Bk/Wh
Bk/Wh
Bk/Wh
Bk/Wh
Gn/Bk
Wh/Ye
Bu
Wh
Pk
Wh/Pk
Wh
Pk
Pk
Wh/Pk
Gn/Wh
Wh/Ye
Bu
Gn/Wh
Rd
TURF TRUCKSTER

Table of Contents

Other manuals for Cushman 898628

Related product manuals