EasyManua.ls Logo

Cushman 898628 - Page 170

Cushman 898628
186 pages
Print Icon
To Next Page IconTo Next Page
To Next Page IconTo Next Page
To Previous Page IconTo Previous Page
To Previous Page IconTo Previous Page
Loading...
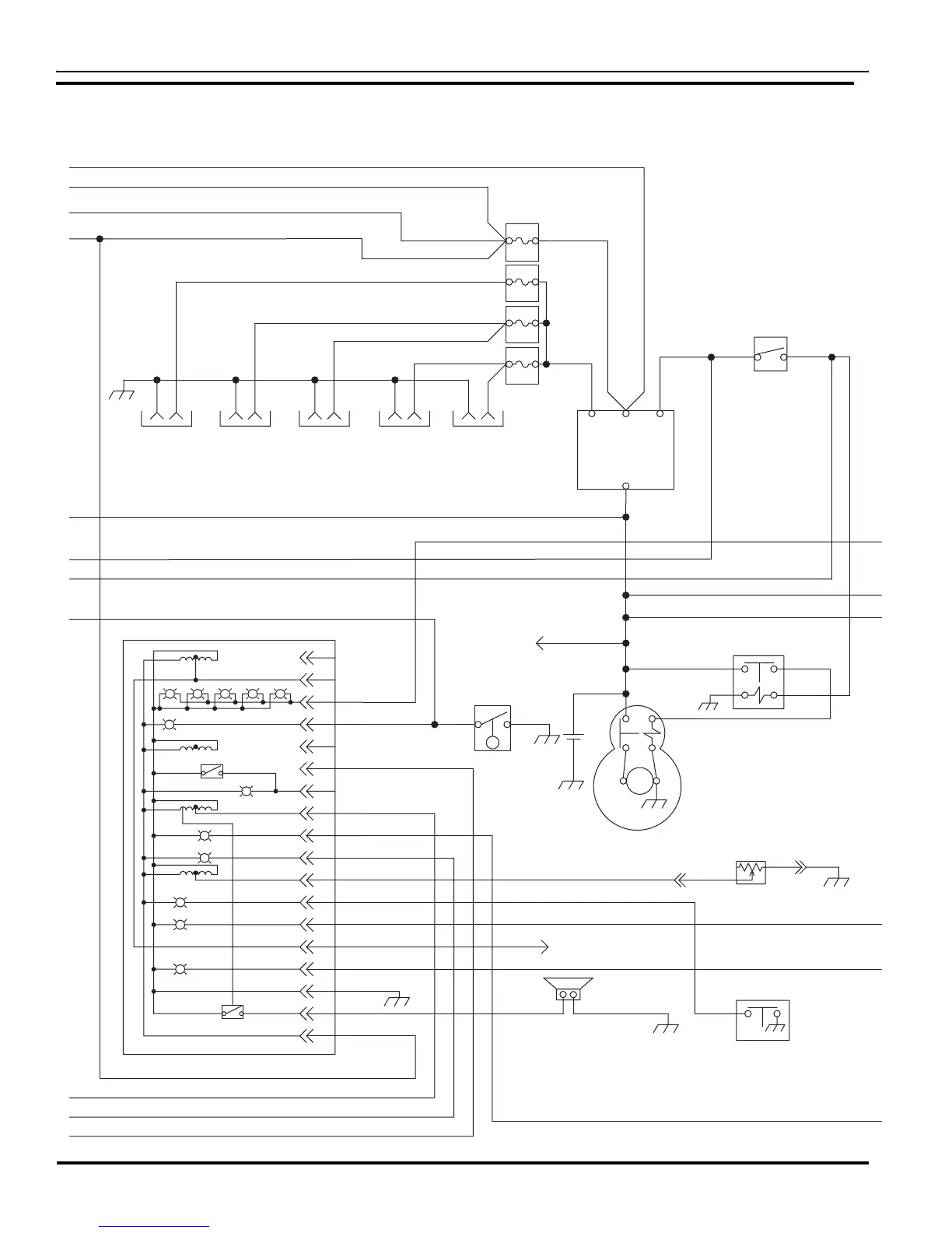
134
Pk/Bu
Wh/Pk
Pk
Wh/Gn
Gn
Rd
B
BkBkBkBkBk
Bk
Bk
Rd Wh/Gn
Gn
Ye/Rd
Ye/Rd
Ye
Rd
Rd
Ye/Rd
Ye/Rd
Ye
Bk/Wh
Bk/Wh
Bk/Wh
Bk/Wh
Bk/Wh
Bk/Wh
Gn/Bk
AI S
ACC - B + A
OFF - None
ON - B +A+I
Start - B+I+S
Gn/Bk
10 A
Accessory
Connector 1
Accessory
Connector 2
Accessory
Connector 3
Accessory
Connector 4
Accessory
Connector 5
Brake Fluid
Level Switch
Dash
Panel
10 A
10 A
20 A
Ignition
Switch
Bn
Rd/Bk
Rd/Bk
Wh/Ye
Wh/Ye
Wh/Og
Bu
Bu
Wh
Pk
Wh/Pk
Gn/Wh
Gn/Wh
Og Og
Pk/Bu
Gn/Bk
Wh/Rd
Ye/Bk
Bk
Wh/Bu
Wh/Bu
Bk/Wh
1
2
3
4
5
6
7
8
9
10
11
12
13
14
15
16
17
18
Coolant
Overheat
Alarm
+ 12 V
Overheat
Alarm
Right Turn
Tach Input
Tachometer
Voltmeter
Temp Gauge
Fuel Guage
Left Turn
Parking Brake
Fuel Sender
Oil Pressure
High Beam
Pre-Heat
- 12 V
Brake Fluid Level
Gas Tach Input
BS
Wh/Og
Wh/Og
Wh/Rd
Wh/Rd
Rd
Rd
Rd
Bk
Starter
Starter
Solenoid
Pk/Bu
Clutch Switch
(Manual Transmission)
Pk/Bu
Fuel
Sender
Bk
Parking Brake
Switch
Bn
Rd
Wh
Wh/Og
Gn/Bk
Ye/Bk
Engine
Harness
Connector 2
TURF TRUCKSTER

Table of Contents

Other manuals for Cushman 898628

Related product manuals