EasyManua.ls Logo

Cushman MINUTE MISER - Page 71

Cushman MINUTE MISER
119 pages
Print Icon
To Next Page IconTo Next Page
To Next Page IconTo Next Page
To Previous Page IconTo Previous Page
To Previous Page IconTo Previous Page
Loading...
ELECTRICAL SYSTEM AND BATTERY CHARGER
Page H-4
Repair and Service Manual
Read all of Section B and this section before attempting any procedure. Pay particular attention to all Notes, Cautions and Warnings
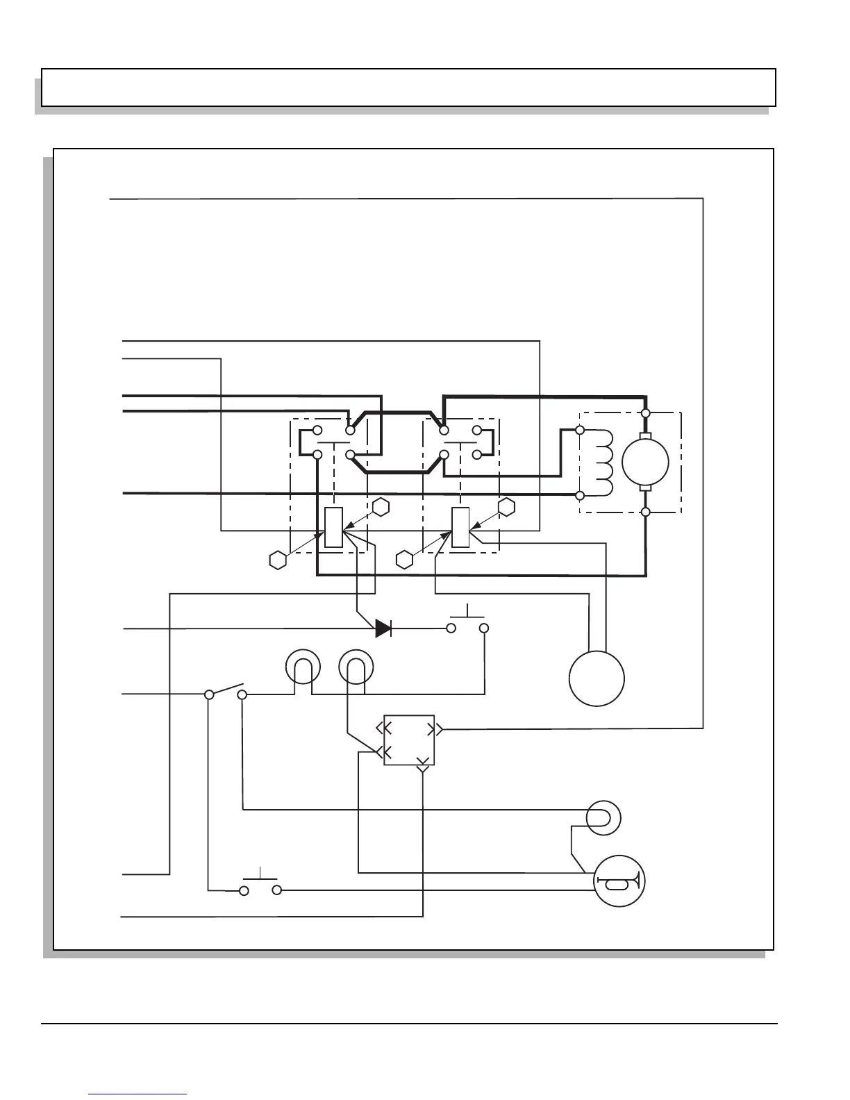
Fig. 4 Wiring Diagram (Cont.)
BRN BRN
WHT/BLU
WHT/GRN
WHT/BLU
WHT/BLU
WHT/RED
BLU
WHT
YEL
YEL
GRN GRN
ORN
BLK
GRN
A2
A1
S2
S1
MOTOR
REVERSE
SOLENOID
FORWARD
SOLENOID
BLU
RED
RED
RED
REDRED
BLK
BLK
BLK
BLK
BLK
BLK
RED
+
_
BRAKE
SWITCH
WHT/BLU
WHT/BLU
ORN
ORNBRN
BLU
WHT
HEADLIGHT
TAIL & BRAKE LIGHT
HORN
HOUR
METER
HORN SWITCH
LIGHT SWITCH
22 26
23
25
WHT/GRN

Table of Contents

Related product manuals