EasyManua.ls Logo

Cushman Shuttle 4 - Wiring Diagram

Cushman Shuttle 4
196 pages
Print Icon
To Next Page IconTo Next Page
To Next Page IconTo Next Page
To Previous Page IconTo Previous Page
To Previous Page IconTo Previous Page
Loading...
Page J-2
Repair and Service Manual
B
ELECTRICAL SYSTEM
Read all of Section B and this section before attempting any procedure. Pay particular attention to Notices, Cautions, Warnings and Dangers.
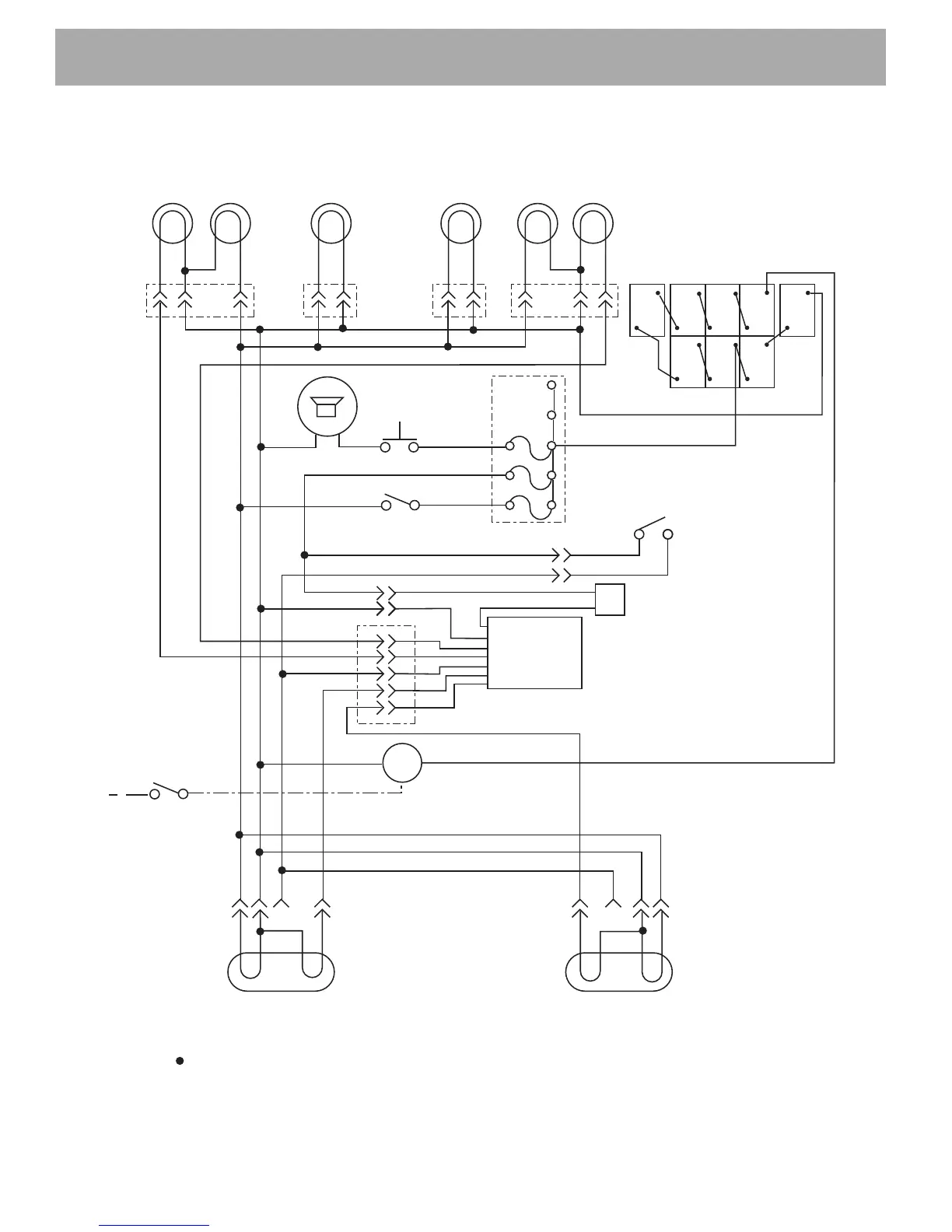
Fig. 2 Wiring Diagram
Driver Side
Passenger Side
Marker
MarkerHeadlight Headlight
GRN
BLK
BLK
BLK
BLK
BLK
RED
RED
BLK
YELRED
RED
BLU/WHT
GRN
Horn
YEL
ORN /WHT
Fuse
Block
15 AMP
15 AMP
15 AMP
BLU/WHT
BLU/WHT
Light Switch
( Part of Key Switch )
RED
RED
RED
BRN
BLK
YEL
Turn
Signal
Switch
GRN
WHT
YEL
WHTBLK
Flasher
YEL
BLU/WHT
BLK
BRN BRN
BRN
WHTBRN
WHT
WHT
RED RED
Turn Signal
Turn Signal
Taillight
Taillight
YEL
BRN
GRN
Driver Side
Passenger Side
State Of Charge Meter
+ 48V RED
For Vehicles Without Turn Signals, Remove WHT Wire from Left Rear Turn Signal RED Wire
and YEL Wire from Right Rear Turn Signal RED Wire. Connect BRN Wire to RED Wire
+ 12V
+
-
+
-
+
+
-
-
-
+ +
+
-
+
-
-
Indicates Butt Connection Within Wiring Harness
RED
+48V
Key Switch
Brake
Switch
RED
BRN
RED
BLK
Turn
Turn

Table of Contents

Related product manuals