EasyManua.ls Logo

D-MAX DCK-500B - System Configuration with DVR and Matrix (Video Interface)

Default Icon
47 pages
Print Icon
To Next Page IconTo Next Page
To Next Page IconTo Next Page
To Previous Page IconTo Previous Page
To Previous Page IconTo Previous Page
Loading...
42
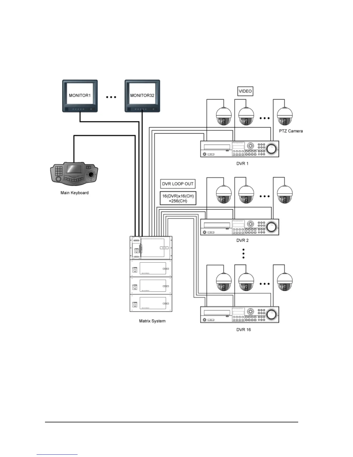
4. When connected DVR with Matrix System (DMX-25632) and PTZ Camera by
VIDEO interface