EasyManua.ls Logo

Daewoo DHC-XD350 - Page 24

Daewoo DHC-XD350
55 pages
Print Icon
To Next Page IconTo Next Page
To Next Page IconTo Next Page
To Previous Page IconTo Previous Page
To Previous Page IconTo Previous Page
Loading...
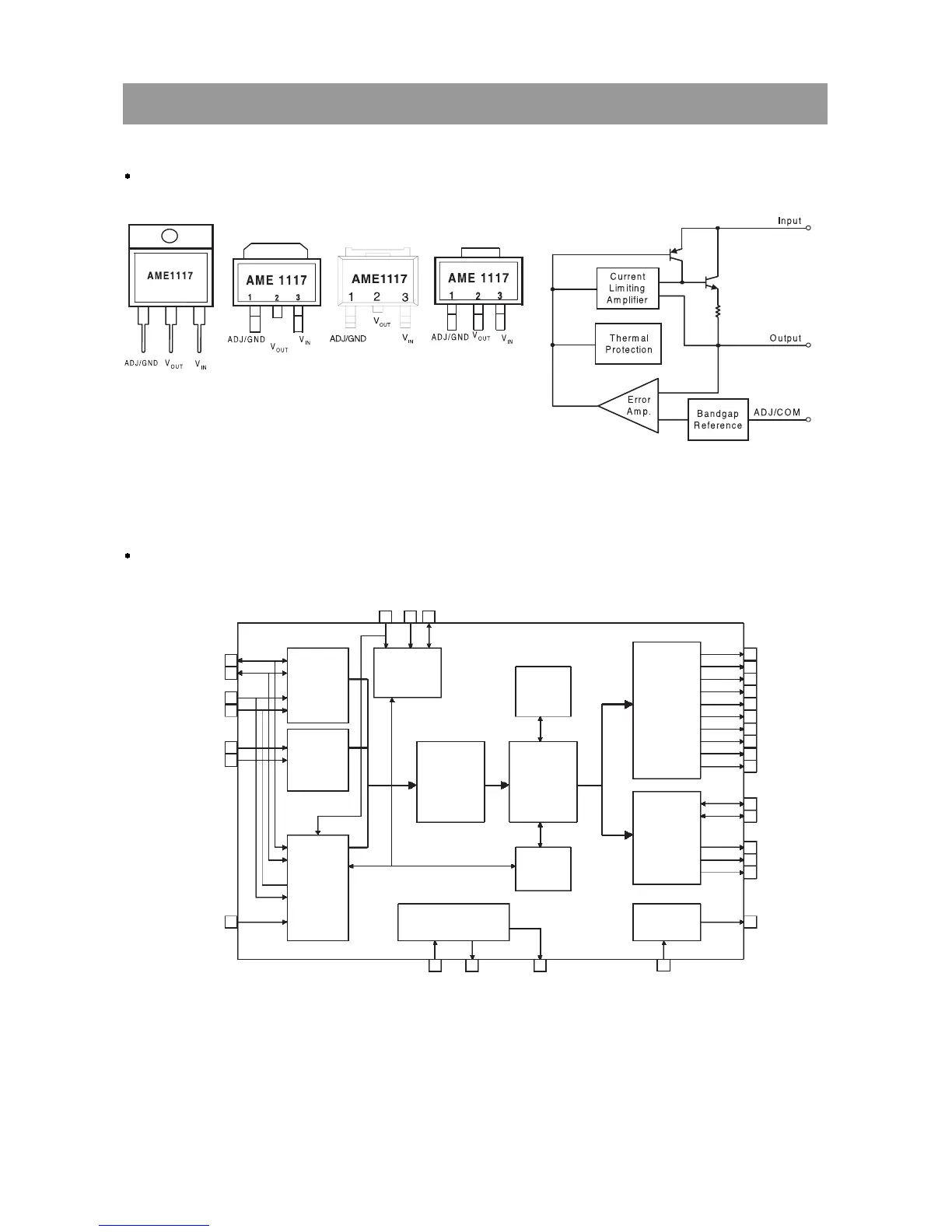
8. Internal Block Diagram of ICs
DHC-XD350
AME1117
DSPSRC
I2S
AC`97
S/PDIF
DDX
I2S
PLL
I2C
RESET
LRCKI / SYNC
SDI_1 / SDATA _OUT
SDI_2 / SDATA_ IN
RXP
RXN
BICKI / BIT_CL
SDO_1
SDO_2
SDO_3
LRCKO
B ICKO
XTI XTO
LEFT_A
LEFT_B
RIGHT_A
RIGHT_B
SLEFT_A
SLEFT_B
SRIGHT_A
SRIG HT_B
LFE_A
LFE_B
SCL SDASA
RAM
ROM
CKOUT
18
1
2
3
4
19
11 10 9
7
14 15 43
43
43
43
43
43
22
21
24
23
34
33
28
27
30
29
Power Down
44
35
EAPD
PWDN
STA304A
24

Related product manuals