EasyManua.ls Logo

Daewoo DHC-XD350 - Block Diagram

Daewoo DHC-XD350
55 pages
Print Icon
To Next Page IconTo Next Page
To Next Page IconTo Next Page
To Previous Page IconTo Previous Page
To Previous Page IconTo Previous Page
Loading...
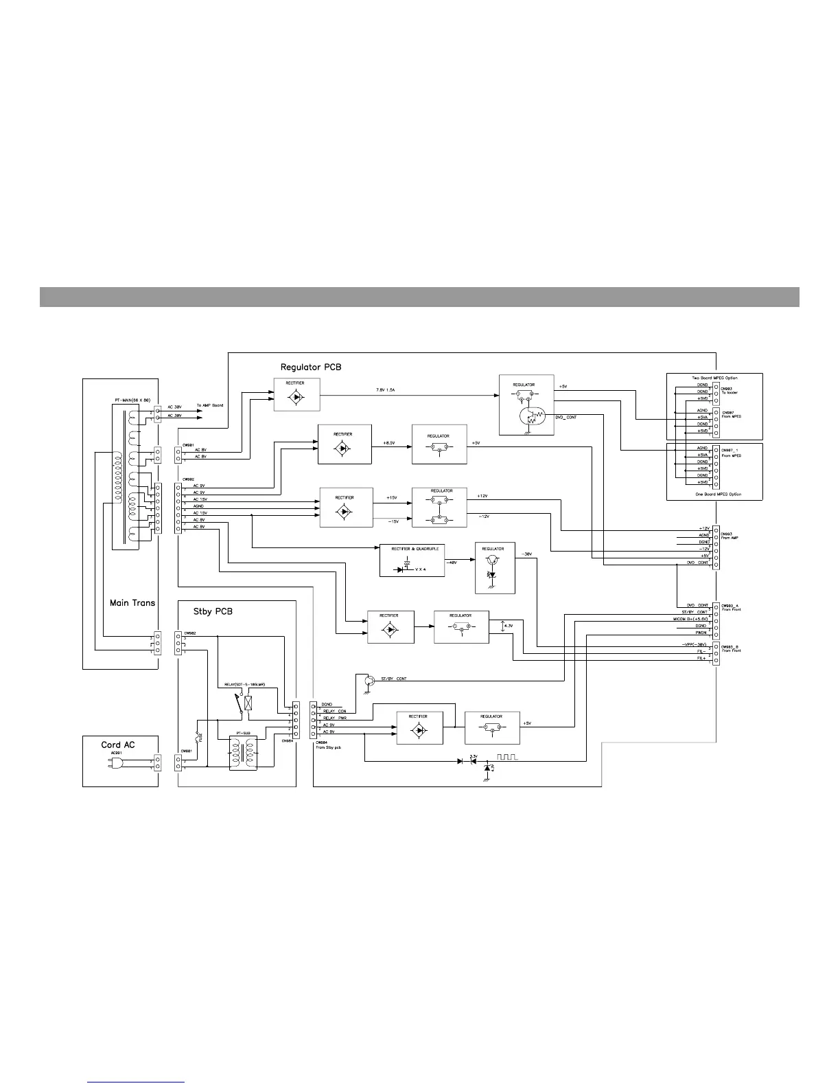
9. Block Diagram
33
DHC-XD350 REGULATOR BLOCK

Related product manuals