EasyManua.ls Logo

Daewoo DHC-XD350 - Page 32

Daewoo DHC-XD350
55 pages
Print Icon
To Next Page IconTo Next Page
To Next Page IconTo Next Page
To Previous Page IconTo Previous Page
To Previous Page IconTo Previous Page
Loading...
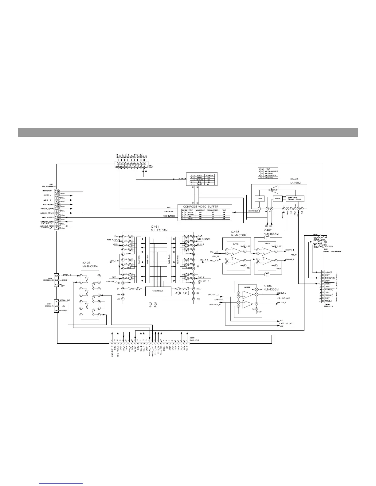
9. Block Diagram
32
DHC-XD350 IN/OUT BLOCK

Related product manuals