EasyManua.ls Logo

Daewoo DHC-XD350 - 11 Schematic Diagram

Daewoo DHC-XD350
55 pages
Print Icon
To Next Page IconTo Next Page
To Next Page IconTo Next Page
To Previous Page IconTo Previous Page
To Previous Page IconTo Previous Page
Loading...
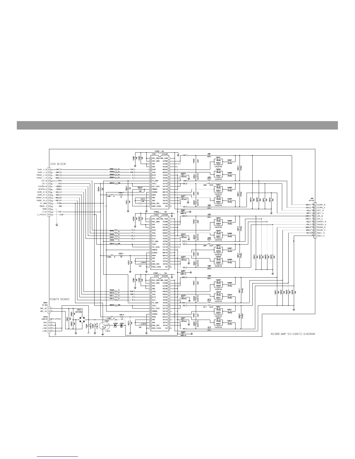
11. Schematic Diagram
35
DHC-XD350
-. AMP

Related product manuals