EasyManua.ls Logo

Daewoo DHC-XD350 - 8 INTERNAL BLOCK DIAGRAM of Ics

Daewoo DHC-XD350
55 pages
Print Icon
To Next Page IconTo Next Page
To Next Page IconTo Next Page
To Previous Page IconTo Previous Page
To Previous Page IconTo Previous Page
Loading...
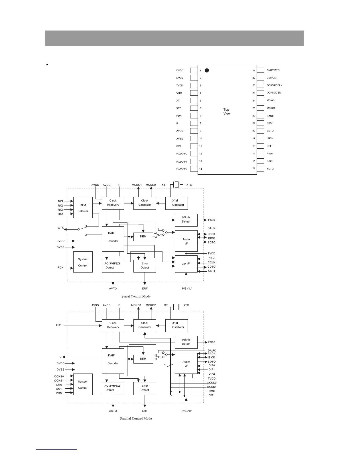
8. Internal Block Diagram of ICs
DHC-XD350
AK-4112A
23

Related product manuals