EasyManua.ls Logo

Daikin DAR09 - Page 101

Daikin DAR09
112 pages
Print Icon
To Next Page IconTo Next Page
To Next Page IconTo Next Page
To Previous Page IconTo Previous Page
To Previous Page IconTo Previous Page
Loading...
101
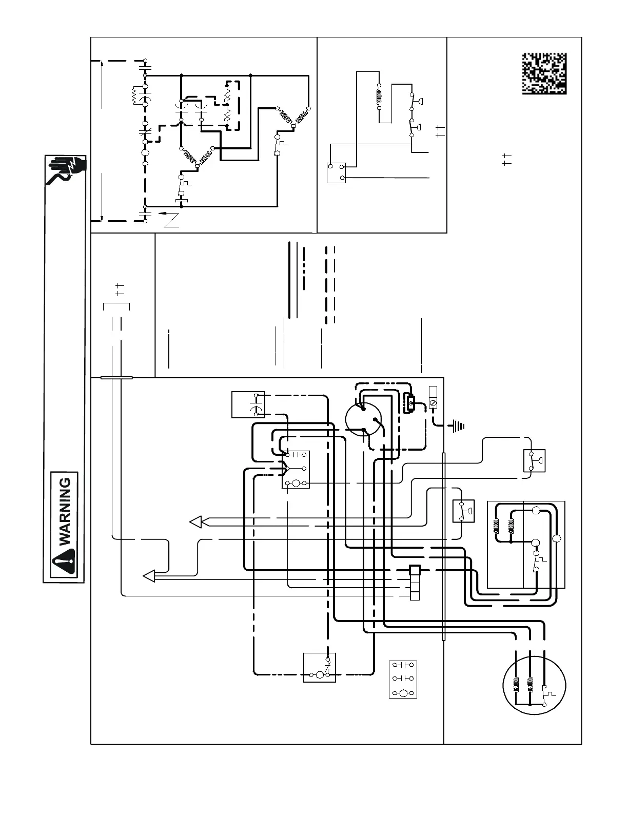
WIRING DIAGRAMS
HIGH VOLTAGE!
DISCONNECT ALL POWER BEFORE SERVICING OR INSTALLING THIS
UNIT. MULTIPLE POWER SOURCES MAY BE PRESENT. FAILURE TO
DO SO MAY CAUSE PROPERTY DAMAGE, PERSONAL INJURY OR DEATH.
Wiring is subject to change. Always refer to the wiring diagram on the unit for the most up-to-date wiring.
DX14SA0[18-60]1A*
COMP
ALTERNATEDOUBLE
POLE CONTACTOR ONLY
IO
T1
C
M
A
I
N
R
A
U
X
5
S
SR
SA
2
1
RCCF
SC
T2
C
L1
L2
(IF USED)
CH
C
F
M
A
I
N
A
U
X
IO
CM
C
Y
C
BL
C
Y
LVJB
CO
M
PONENT CODE
C ---------------CONTACTOR
CSM--------CORESENSE MODULE
CM ------------ OUTDOORFAN MOTOR
COMP -------- COMPRESSOR
HPS-----------HIGHPRESSURESWITCH
IO --------------INTERNALOVERLOAD
LVJB ----------LOW VOLTAGEJUNCTIONBOX
RCCF ---------RUN CAPACITORFOR COMPRESSOR &FAN
SA -------------START ASSIST
SC ------------- STARTCAPACITOR FORCOMPRESSOR(OPTIONAL)
SR ------------- STARTRELAY FORCOMPRESSOR (OPTIONAL)
LPS ------------ LOWPRESSURESWITCH
CONTROLS SHOWNWITH THERMOSTAT IN 'OFF' POSITION.
OUTDOORPOWER SUPPLY
SEERATINGPLATE
WIRI
NG CODE
FACTORY WIRING
HIGH VOLTAGE
LOWVOLTAGE
OPTIONAL HIGH VOLTAGE
F
I
E
LD
WIR
I
NG
HIGH VOLTAGE
LOWVOLTAGE
CC
PU
YL
YL
SC
RD
BL
RD
YL
RD
RD
BKBK
BK
C
T1
L1
T2
L2
RCCF
F
C
HERM
YL
YL
BR
RD
PU
YL
RD
YL
RD
BK
COMP
IO
CM
AUX
MAIN
BK
BR
PU
SR
5
2
1
BK
YL
BL
HPS
BL/PK
BL/PK
COLORCOD
E
BK ---------------BLACK
BL ---------------BLUE
BL/PK ---------- BLUE/PINK STRIPE
BR --------------- BROWN
OR --------------- ORANGE
PU --------------- PURPLE
RD --------------- RED
WH -------------- WHITE
YL ---------------YELLOW
YL/PK---------------YELLOW/PINK STRIPE
HPS
NOTES:
1) TOINDOORUNITLOW VOLTAGE
TERMINAL BLOCK&INDOOR THERMOSTAT.
2) START ASSISTFACTORY EQUIPPED WHEN
REQUIRED.
3) USECOPPERCONDUCTORSONLY.
RD
SA
(IFUSED)
NOTE 2
MAIN
C
IO
R
S
AUX
COMP
IO
T1
C
M
A
I
N
R
A
U
X
5
S
SR
CSM
SA
2
1
RCCF
SC
T2
C
L1
L2
(IF USED)
CH
C
C
S
M
F
M
A
I
N
A
U
X
IO
CM
C
Y
C
Y
C
BL
C
Y
LVJB
SEENOTE1
C
BK
P
C
CSM
BL
YL
RD
BK
LVJB
CONTROLBOX
SC
RD
BL
RD
PU
RD
RD
BKBK
BK
C
T1
L1
T2
L2
RCCF
F
C
HERM
YL
YL
BR
RD
PU
YL
RD
YL
RD
BK
COMP
IO
CM
AUX
MAIN
BK
BR
PU
5
2
1
BK
YL
BL
EQUIPMENTGROUND
BL/PK
HPS
BL/PK
BL/PK
HPS
RD
SA
(IFUSED)
NOTE 2
NOTE 3
LPS
C
IO
R
S
AUX
0140R00275-C
YL/PK
YL/PK
LPS
Y
YL
P
YL
USEN.E.C.CLASS2WIRE
T1
L1
T2
L2
ALTERNATEDOUBLE
POLE CONTACTOR
YL
BL/PK
YL/PK
YL/PK
SEENOTE1

Table of Contents

Related product manuals