EasyManua.ls Logo

Daikin DAR09 - Page 102

Daikin DAR09
112 pages
Print Icon
To Next Page IconTo Next Page
To Next Page IconTo Next Page
To Previous Page IconTo Previous Page
To Previous Page IconTo Previous Page
Loading...
102
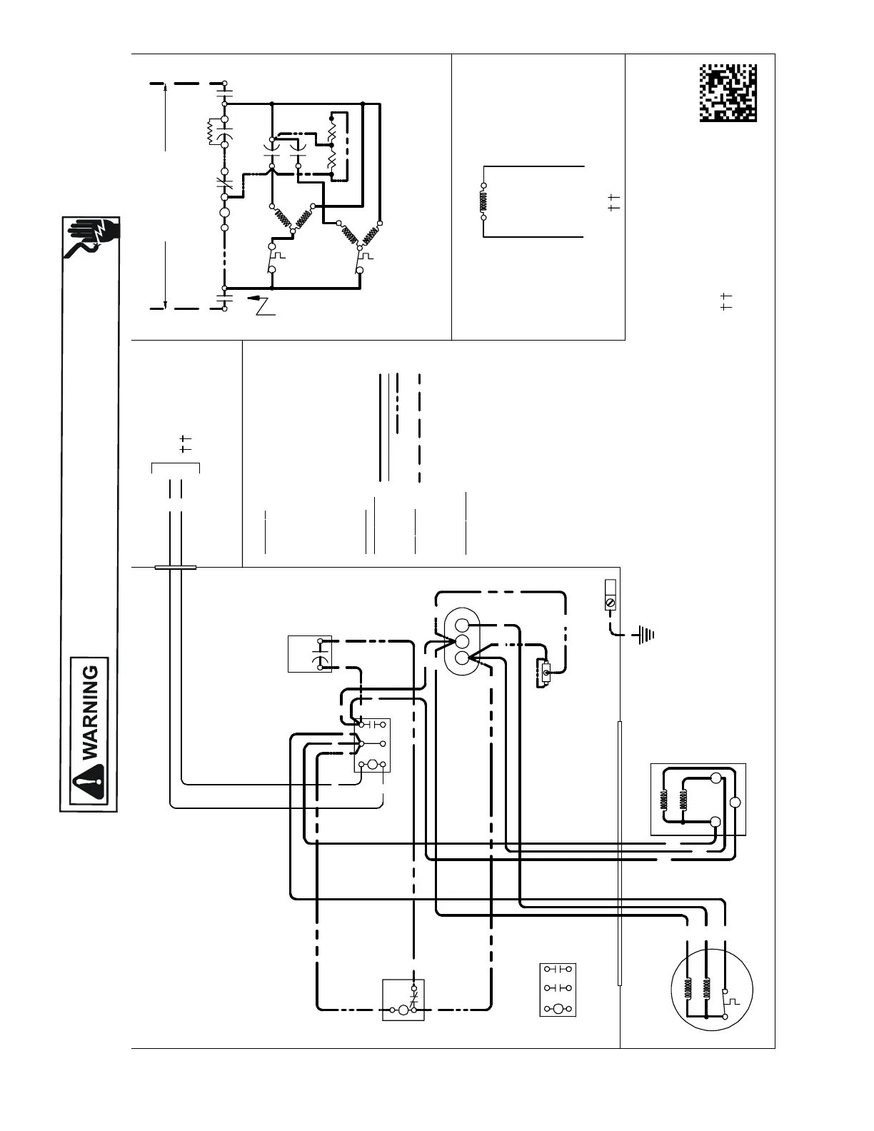
WIRING DIAGRAMS
HIGH VOLTAGE!
DISCONNECT ALL POWER BEFORE SERVICING OR INSTALLING THIS
UNIT. MULTIPLE POWER SOURCES MAY BE PRESENT. FAILURE TO
DO SO MAY CAUSE PROPERTY DAMAGE, PERSONAL INJURY OR DEATH.
Wiring is subject to change. Always refer to the wiring diagram on the unit for the most up-to-date wiring.
DX14SA0[24-61]1A*
USE N.E.C.CLASS 2WIRE
COMP
ALTERNATE DOUBLE
POLE CONTACTOR ONLY
IO
T1
C
M
A
I
N
R
A
U
X
5
S
SR
SA
2
1
RCCF
SC
T2
C
L1
L2
(IFUSED)
CH
C
F
M
A
I
N
A
U
X
C
C
0140R00015P-C
BL
Y
C
LVJB
COLOR C
O
DE
BK ---------------BLACK
BL ---------------BLUE
BR --------------- BROWN
OR --------------- ORANGE
PU ---------------PURPLE
RD --------------- RED
WH -------------- WHITE
YL ----------------YELLO W
CONTROLBOX
COMPO
NENT CODE
C--------------- CONTACTOR
CM ------------ OUTDOORFAN MOTOR
COMP -------- COMPRESSOR
IO --------------INTERNALOVERLOAD
LVJB---------- LOW VOLTAGE JUNCTIONBOX
RCCF --------- RUN CAPACITORFOR COMPRESSOR&FAN
SA ------------- STARTASSIST
SC ------------- START CAPACITORFOR COMPRESSOR (OPTIONAL)
SR ------------- START RELAYFOR COMPRESSOR(OPTIONAL)
CONTROLSSHOWN WITH THERMOSTAT IN'OFF' POSITION.
OUTDOOR POWER SUPPLY
SEERATINGPLATE
WIRING CO
DE
FACTORY WIRING
HIGH VOLT AGE
LOW VOLTAGE
OPTIONAL HIGH VOLTAGE
FI
E
LD WIRING
HIGH VOLT AGE
IO
CM
Y
YL
YL
C
R
S
RD
BK
AUX
MAIN
COMP
SEENOTE1
SC
RD
BL
RCCF
YL
PU
YL
SR
5
2
1
BK
YL
BL
RD
YL
BL
RD
RD
BKBK
BK
C
T1
L1
T2
L2
SA
(IFUSED)
NOTE 2
EQUIPMENTGROUND
SEE NOTE 3
PU
BR
BK
MAIN
AUX
CM
IO
T1
L1
T2
L2
ALTERN ATE DOUBLE POLE
CONTACTOR
NOTES:
1) TO INDOOR UNIT LOWVOLTAGE TERMINAL BLOCK&
INDOOR THERMOSTAT.
2) STARTASSIST FACTORYEQUIPPEDWHEN REQUIRED.
3) USE COPPER CONDUC TORS ONLY.
CFH
RD
RD
RD
BR
SEENOTE1

Table of Contents

Related product manuals