EasyManua.ls Logo

Daikin FTX-N/U - 5 Wiring Diagrams; Indoor Unit

Daikin FTX-N/U
484 pages
Print Icon
To Next Page IconTo Next Page
To Next Page IconTo Next Page
To Previous Page IconTo Previous Page
To Previous Page IconTo Previous Page
Loading...
FTX-N/U, FVXS-N, FDMQ-R Series EDUS091558E
21
3D090199B
FTX15NMVJU
3D086429D
FTX09/12NMVJU
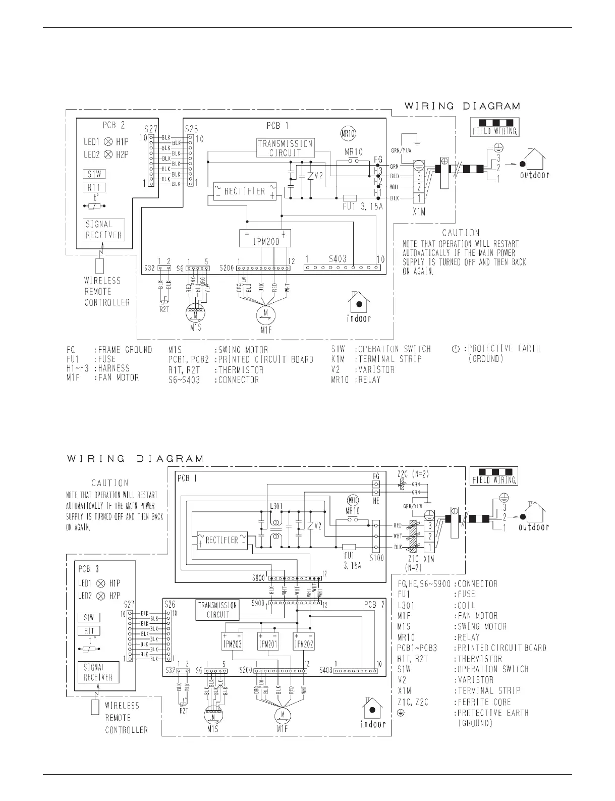
5.1 Indoor Unit
5. Wiring Diagrams

Table of Contents

Related product manuals