EasyManua.ls Logo

Daikin MPS050F - VAV Control - with Low Ambient Option; MPS 040-050 with Variable Speed Inverter Compressor - with Low Ambient Option

Daikin MPS050F
132 pages
Print Icon
To Next Page IconTo Next Page
To Next Page IconTo Next Page
To Previous Page IconTo Previous Page
To Previous Page IconTo Previous Page
Loading...
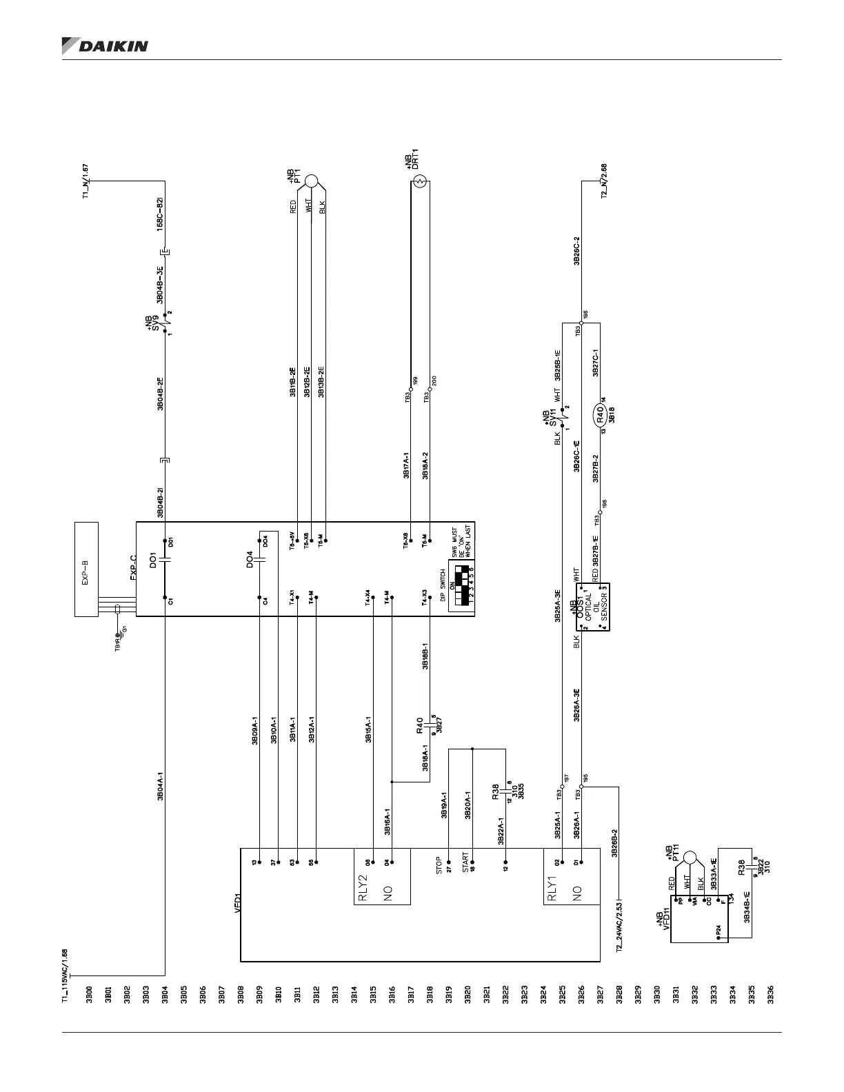
Figure 68: MPS 040 – 050 with Variable Speed Inverter Compressor – with Low Ambient Option
WIrInG dIaGrams
www.DaikinApplied.com 77 IM 1058-8 • MAVERICK II ROOFTOP SYSTEMS

Table of Contents

Related product manuals