EasyManua.ls Logo

Daikin MPS050F - VAV Control - Outputs (Staged Gas Heat)

Daikin MPS050F
132 pages
Print Icon
To Next Page IconTo Next Page
To Next Page IconTo Next Page
To Previous Page IconTo Previous Page
To Previous Page IconTo Previous Page
Loading...
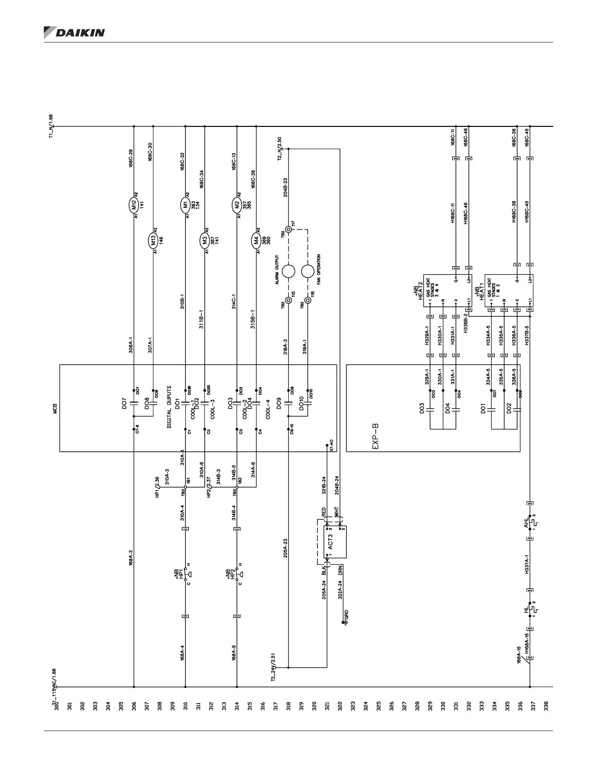
Figure 69: VAV Control – Outputs (Staged Gas Heat)
IM 1058-8 • MAVERICK II ROOFTOP SYSTEMS 78 www.DaikinApplied.com
WIrInG dIaGrams

Table of Contents

Related product manuals