EasyManua.ls Logo

Daikin VRV III - Page 205

Daikin VRV III
455 pages
To Next Page IconTo Next Page
To Next Page IconTo Next Page
To Previous Page IconTo Previous Page
To Previous Page IconTo Previous Page
Loading...
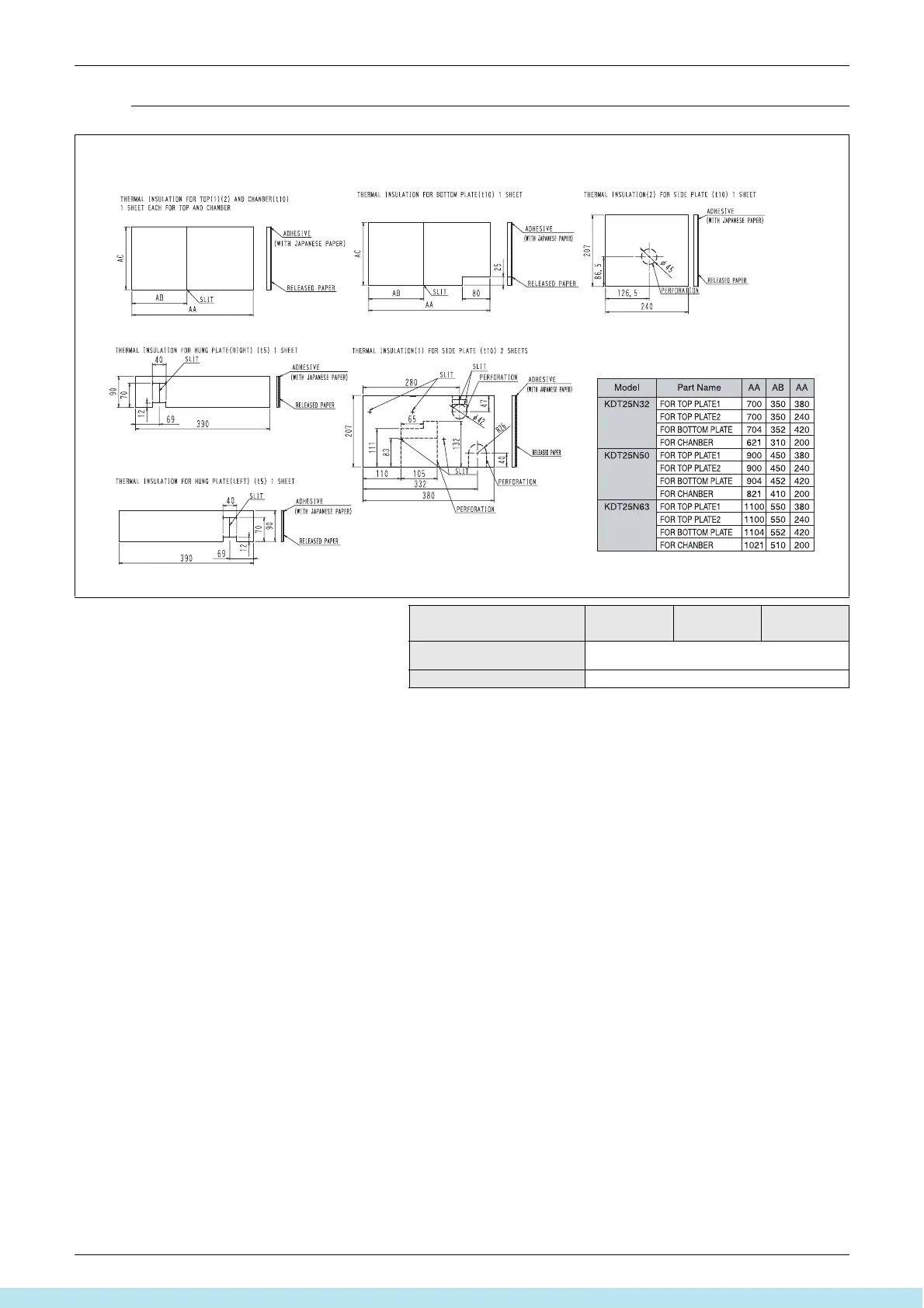
Accessories ED34-862
200 FXDQ-PB / FXDQ-NB
KDT25N32 / 50 / 63 – Insulation Kit for High Humidity
Dimensions Unit: mm
Model
KDT25N32 KDT25N50 KDT25N63
Item
Material
Foam polyethylene
(with Japanese paper)
Accessories Installation manual
Все каталоги и инструкции здесь: http://splitoff.ru/tehn-doc.html

Table of Contents

Other manuals for Daikin VRV III

Related product manuals