EasyManua.ls Logo

Daikin WSC - Page 16

Daikin WSC
76 pages
Print Icon
To Next Page IconTo Next Page
To Next Page IconTo Next Page
To Previous Page IconTo Previous Page
To Previous Page IconTo Previous Page
Loading...
IOM 1274-3 • CENTRIFUGAL WATER CHILLERS 16 www.DaikinApplied.com

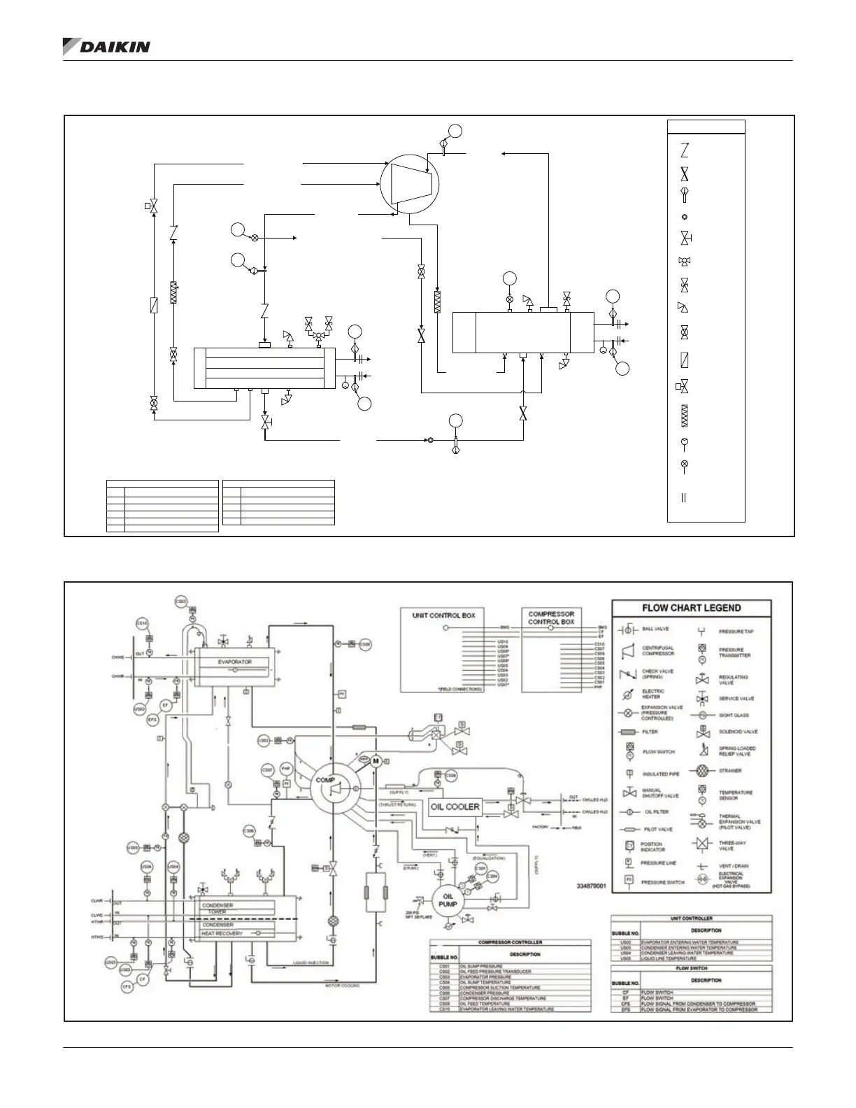
Figure 12: Typical Refrigerant Flow Diagram - Models WSC/TSC 079-126
Figure 13: Typical Refrigerant Flow Diagram - Models HSC 079-126
COMPRESSOR CONTR OLLER
BUBBLE
NO.
DESCRIPTION
P201 EVAPORATOR PRESSURE
P202 CONDENS ER PRESSUR E
P102 COMPRESSOR SUCTION TEMPE RATURE
P102 COMPRESSOR DISCHARGE TEMPERATURE
P104 EVAPORATOR LEAVING WATER TEMPERATU RE
UNIT CONTROLLER
BUBBLE
NO.
DESCRIPTION
P104 EVAPORATOR ENTERING WATER TEMPERATURE
P104 CONDENS ER ENTERING WATER TEMPERATURE
P104 CONDENS ER LEAVING WATER TEMPER ATURE
P104 LIQUID LINE TEMPERATURE
C HE CK VAL VE
CONDENSER
EVAPORATOR
SHUTOFF VALVE
ELECTRONIC
EXPANSION VALVE
TEMPERATURE
SENSOR
SI GH T GL AS S
LIQUID LINE
RELIEF VALVE
LIQUID INJECTION LINE
MOTOR COOLING LINE
SERVICE VALVE
THREE-WAY VALVE
BALL VA LVE
STRAINER
SOLENOID VAL VE
D IS C HA RGE LIN E
FILTER DR YER
MOTOR DRAIN LINE
P104
P102
P102
FLOW SENSOR
P104
P104
HOT GAS BYPASS LINE (OPTONAL)
F LO W CH A RT L EG E ND
P RE SSU RE SE N SO R
P202
INLET
OUTL ET
P104
P104
INLET
OUTLET
P201
COMPRESS OR
SUCTION LINE
WATER
CONNECTION
POINT

Other manuals for Daikin WSC

Related product manuals