EasyManua.ls Logo

Danfoss H1 078 - Page 10

Danfoss H1 078
68 pages
Print Icon
To Next Page IconTo Next Page
To Next Page IconTo Next Page
To Previous Page IconTo Previous Page
To Previous Page IconTo Previous Page
Loading...
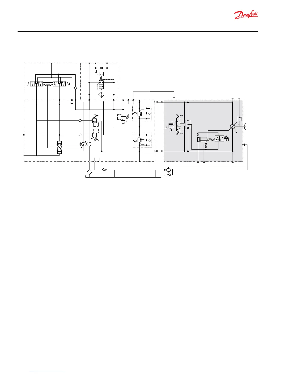
System Schematic
P003 424
min.max.
L2 NMA
A
B
M5
MB
M4
L1
B
R1
R2
M4
M5
M14 M6 1 2
M3 L1 L2 MA
A
C2 C1
S
F00B F00A
L3 L4
CW
MB
max. 3 bar
[43.5 psi]
n
The schematic above shows the function of a hydrostatic transmission using an H1 axial variable
displacement pump with electric proportional displacement control (EDC) and an H1 bent axis variable
displacement motor with electric proportional control (L*) and integrated loop flushing device.
Service Manual
H1 Pumps 069/078, 089/100, 115/130, 147/165, 210/250
Introduction
10 |
©
Danfoss | May 2018 520L0848 | AX00000087en-US0308

Table of Contents

Related product manuals