EasyManua.ls Logo

Danfoss VLT HVAC Drive FC 102 - Page 185

Danfoss VLT HVAC Drive FC 102
196 pages
Print Icon
To Next Page IconTo Next Page
To Next Page IconTo Next Page
To Previous Page IconTo Previous Page
To Previous Page IconTo Previous Page
Loading...
3
-QA3
3
-RF5
3
3
2
R
B
2
3
3
-RF1.1
3
-RF2
3
-RF3
3
3
3
3
3
3
1L1-3
1L1-3
-QB1
3
3
3
-TA1.1
B
-CA3.1
PU1
PE,U,V,W
-MA1
3~
3+PE
M
-QB8
3
-QB7
I>>
I>
3
-QA2.1
-CA5.1
-CA5.2
-QA2.2
-CA5.3
-CA5.4
-RF4.1 -RF4.2
-RF4.3
-RF4.4
R1.1 R1.2
R1.3
R1.4
L1-3
-PE
PE
PE
e30bu197.10
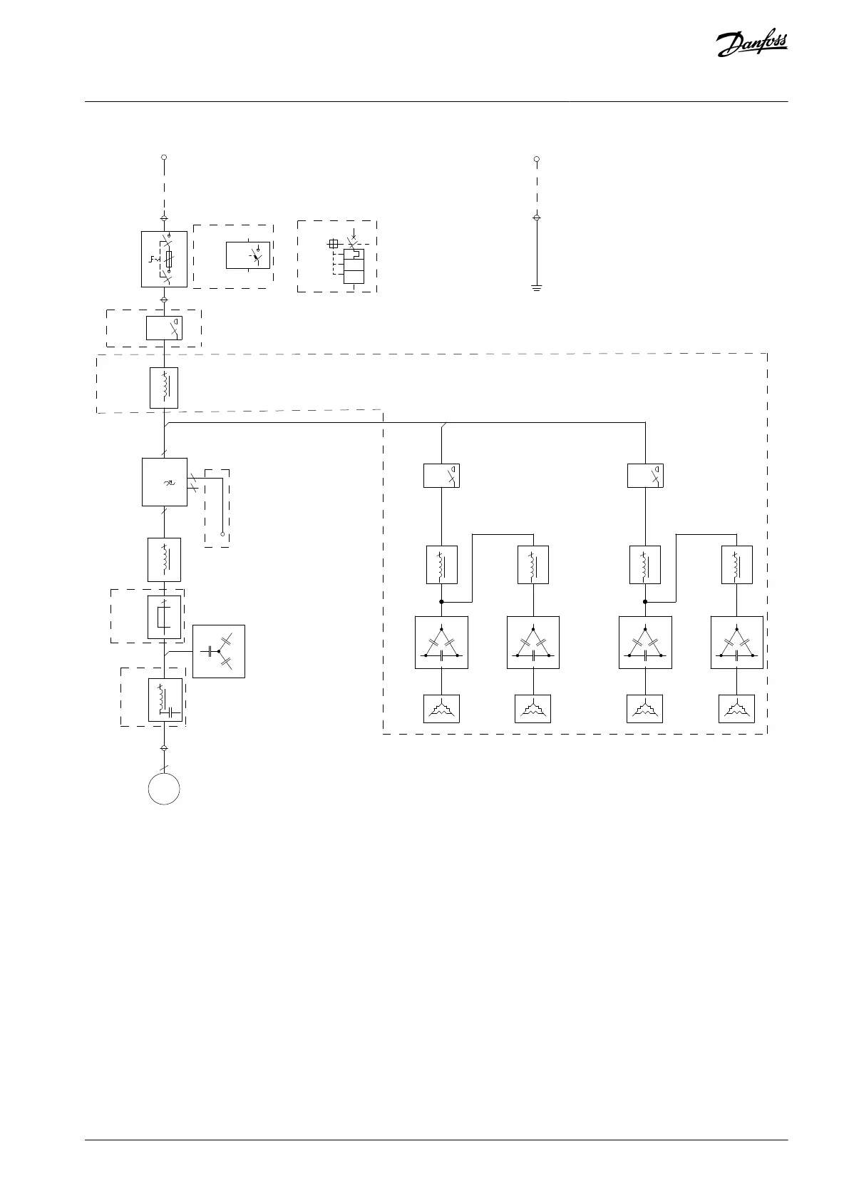
Illustration 84: Electrical Power Flow for E5h/E6h Enclosures
AQ262141314214en-000301 / 130R0880 | 185Danfoss A/S © 2021.11
Appendix
VLT® HVAC Drive FC 102
Operating Guide

Table of Contents

Other manuals for Danfoss VLT HVAC Drive FC 102

Related product manuals