EasyManua.ls Logo

Danfoss VLT HVAC Drive FC 102 - Wiring Overview for D9 H and D10 H Enclosed Drives

Danfoss VLT HVAC Drive FC 102
196 pages
Print Icon
To Next Page IconTo Next Page
To Next Page IconTo Next Page
To Previous Page IconTo Previous Page
To Previous Page IconTo Previous Page
Loading...
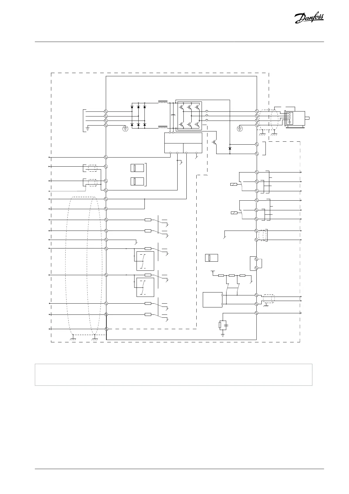
5.3 Wiring Overview for D9h and D10h Enclosed Drives
1
2
(NC)
91 (L1)
92 (L2)
93 (L3)
18 (D IN)
15 mA
200 mA
(U) 96
(PE) 99
0/4-20 mA
03
0 V DC - 10 V DC
0/4–20 mA
02
01
05
04
06
24 V (NPN)
0 V (PNP)
0 V (PNP)
24 V (NPN)
19 (D IN)
24 V (NPN)
0 V (PNP)
24 V
0 V
0 V (PNP)
24 V (NPN)
0 V
24 V
24 V (NPN)
0 V (PNP)
0 V (PNP)
24 V (NPN)
33 (D IN)
32 (D IN)
1
2
ON
A53 U-I (S201)
ON
2
1
A54 U-I (S202)
ON=0–20 mA
OFF=0–10 V
95 (PE)
P 5-00
(R+) 82
(R-) 81
+ - + -
2)
0 V
5 V
S801
21
ON
Switch mode
power supply
ON=Terminated
OFF=Open
(NPN) = Sink
37 (D IN) - option
1)
e30bg569.10
Drive
Control compartment
XD2
Terminal
block
XD2.21
XD2.23
XD2.22
XD2.24
XD2.26
XD2.25
XD2.4
XD2.
5
XD2.2
XD2.3
XD2.1
XD2.19
XD2.17
XD2.16
XD2.15
XD2.14
XD2.18
XD2.13
XD2.12
XD2.11
XD2.10
XD2.9
XD2.8
XD2.7
XD2.6
cabinet
(V) 97
(W) 98
240 V AC, 2A
400 V AC, 2A
240 V AC, 2A
400 V AC, 2A
Brake temp
RS485
(PNP) = Source
(COM RS485) 61
(N RS485) 69
(P RS485) 68
RS485
Interface
OFF-ON
S801/Bus term.
(COM A OUT) 39
(A OUT) 42
10 V DC
24 V DC
3-phase
50 (+10 V OUT)
+10 V DC
power
input
0 V DC - 10 V DC
0/4–20 mA
29 (D IN/OUT)
27 (D IN/OUT)
20 (COM D IN)
13 (+24 V OUT)
12 (+24 V OUT)
55 (COM A IN)
54 (A IN)
53 (A IN)
Motor
Brake resistor
(option)
Relay1
Relay2
Analog output
Illustration 20: Basic Wiring Overview for Enclosures D9h and D10h
Terminal 37 (optional) is used for Safe Torque Off. Refer to the VLT
®
FC Series - Safe Torque Off Operating Guide for
installation instructions.
AQ262141314214en-000301 / 130R0880 | 53Danfoss A/S © 2021.11
Electrical Installation
VLT® HVAC Drive FC 102
Operating Guide

Table of Contents

Other manuals for Danfoss VLT HVAC Drive FC 102

Related product manuals