EasyManua.ls Logo

Danfoss VLT HVAC Drive FC 102 - Page 51

Danfoss VLT HVAC Drive FC 102
196 pages
Print Icon
To Next Page IconTo Next Page
To Next Page IconTo Next Page
To Previous Page IconTo Previous Page
To Previous Page IconTo Previous Page
Loading...
e30bf228.11
L1
L2
L3
PE
L1
L2
L3
PE
PE
u
v
w
2
1
3
5
IEC 60309
16
17
18
14
12
8
7
10
9
4
11
13
4
4
6
15
90
+DC
BR-
B
M
AINS
L1 L2 L3
91 92 93
RELA
Y 1 RELA
Y 2
99
- L
C -
UV
W
MO
T
OR
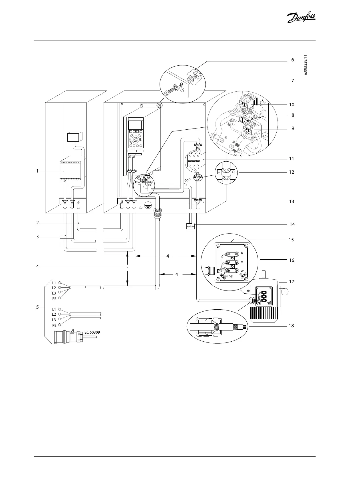
Illustration 19: Example of Proper EMC Installation
AQ262141314214en-000301 / 130R0880 | 51Danfoss A/S © 2021.11
Electrical Installation
VLT® HVAC Drive FC 102
Operating Guide

Table of Contents

Other manuals for Danfoss VLT HVAC Drive FC 102

Related product manuals