EasyManua.ls Logo

Datron PRC1099A - Page 209

Datron PRC1099A
247 pages
Print Icon
To Next Page IconTo Next Page
To Next Page IconTo Next Page
To Previous Page IconTo Previous Page
To Previous Page IconTo Previous Page
Loading...
1
1
2
2
3
3
4
4
5
5
6
6
7
7
8
8
D D
C C
B B
A A
APPROVALS
MFG ENGR
PROJ ENGR
CHECKER
DRAFTER
DATE
SIZE
TITLE
DWG. NO.
FSCM NO.
REV
SCALE:
D
SHEET
994166G.SchDoc
1045 ALE MODULE
FILENAME:
66943
OF
994166
G
NONE
1
SCHEMATIC,
*
*
03-26-97
THIS DOCUMENT CONTAINS PROPRIETARY AND
CONFIDENTIAL INFORMATION THAT IS NOT TO BE
PHYSICALLY REPRODUCED OR INTELLECTUALLY
TRANSFERRED WITHOUT WRITTEN PERMISSION
FROM DATRON WORLD COMMUNICATIONS, INC.
Datron World Communications, Inc.
3055 Enterprise Court
Vista, CA 92081
TEL (760) 597-1500 FAX (760)597-1510
1
REV
APPROVED
REVISIONS
DESCRIPTION
DRAFTER DATE
ECO
NOTES: UNLESS OTHERWISE SPECIFIED
6/18/2015 8:15:54 AM
A
B
C
PRC1099-287
ALE-005
ALE-010
RELEASE
D1 WAS D8,D2 WAS C12
CORRECT U1 PLACEMENT
092192
010595
040496
+5V
DC0
DC1
DC2
DC3
DC4
DC5
DC6
DC7
AC8
AC9
AC10
AC11
AC12
AC13
AC14
AC15
DC0
DC1
DC2
DC3
DC4
DC5
DC6
DC7
+5V
AC0
AC1
AC2
AC3
AC4
AC5
AC6
AC7
A0
11
A1
10
A2
9
A3
8
A4
7
A5
6
A6
5
A7
4
A8
29
A9
28
A10
24
A11
27
A12
3
N/C
12
N/C
1
VCC
32
O0
13
O7
22
O6
21
O5
20
O4
19
O3
18
O2
15
O1
14
A14
31
A13
30
A15
2
N/C
17
N/C
26
CE
23
OE
25
GND
16
U80
27C512
AC0
AC1
AC2
AC3
AC4
AC5
AC6
AC7
AC8
AC9
AC10
AC11
AC12
AC13
AC14
AC15
+5V
DC0
DC1
DC2
DC3
DC4
DC5
DC6
DC7
VBAT
DC0
DC1
DC2
DC3
DC4
DC5
DC6
DC7
+5V
+5V
+5V
+5V
SERCNTLRXD
SERCNTLTXD
ALERST
+5V
KEYLINE
+5V
ALEPTT
VBAT
+5V
N/C
1
I1/CLK
2
I2
3
I3
4
I4
5
I5
6
I6
7
N/C
8
I7
9
I8
10
I9
11
I10
12
I11
13
I12
16
GND
14
N/C
15
O10
17
O9
18
O9
19
O7
20
O6
21
N/C
22
O5
23
O4
24
O3
25
O2
26
O1
27
VCC
28
U20
22V10
+5V
AD15
AD14
AD1
AD0
AD0
AD1
AD2
AD3
AD4
AD5
AD6
AD7
AD8
AD9
AD10
AD11
AD12
AD13
AD14
AD15
DD0
DD1
DD2
DD3
DD4
DD5
DD6
DD7
DD8
DD9
DD10
DD11
DD12
DD13
DD14
DD15
+5V
+5V
+5V
AD0
AD1
AD2
AD3
AD4
AD5
AD6
AD7
AD8
AD9
AD10
AD11
AD12
AD13
AD14
AD0
AD1
AD2
AD3
AD4
AD5
AD6
AD7
AD8
AD9
AD10
AD11
AD12
AD13
AD14
DD0
DD1
DD2
DD3
DD4
DD5
DD6
DD7
DD8
DD9
DD10
DD11
DD12
DD13
DD14
DD15
DC0
DC1
DC2
DC3
DC4
DC5
DC6
DC7
DC0
DC1
DC2
DC3
DC4
DC5
DC6
DC7
+5V
+5V
DD0
DD1
DD2
DD3
DD4
DD5
DD6
DD7
DD8
DD9
DD10
DD11
DD12
DD13
DD14
DD15
AD0
AD1
AD2
AD3
AD4
AD5
AD6
AD7
AD8
AD9
AD10
AD11
AD12
AD13
AD14
AD0
AD1
AD2
AD3
AD4
AD5
AD6
AD7
AD8
AD9
AD10
AD11
AD12
AD13
AD14
+5V
+5V
DD0
DD1
DD2
DD3
DD4
DD5
DD6
DD7
AD0
AD1
AD2
AD3
AD4
AD5
AD6
AD7
AD8
AD9
DC0
DC1
DC2
DC3
DC4
DC5
DC6
DC7
+5V
600 OHM RX AUDIO
600 OHM TX AUDIO
+5VA
-5V
5 INSTALLED FOR 600 OHM AUDIO INPUT.
+5V
J1-19
J1-20
J1-16
J1-15
P1-18
P1-17
P1-7
D
BB
SPARE GATES
+5V
P1
CONN20
R1
10K
R12
DNP-10K
R13
10K
R14
10K
R2
10K
R3
10K
C14
.1MF
1 2
C15
.1MF
C17
.1MF
C19
.1MF
C20
.1MF
C22
.1MF
C23
.1MF
C24
.1MF
1
2
C25
.1MF
C26
.1MF
C28
.1MF
C29
.1MF
C30
.1MF
C31
.1MF
C32
.1MF
C5
.1MF
C8
.1MF
D1
10MQ040
A0
10
A1
9
A2
8
A3
7
A4
6
A5
5
A6
4
A7
3
A8
25
A9
24
A10
21
A11
23
A12
2
A13
26
A14
1
VCC
28
D0
11
D7
19
D6
18
D5
17
D4
16
D3
15
D2
13
D1
12
GND
14
OE
22
CS
20
WE
27
U5
MS62256
A0
10
A1
9
A2
8
A3
7
A4
6
A5
5
A6
4
A7
3
A8
25
A9
24
A10
21
A11
23
A12
2
A13
26
A14
1
VCC
28
D0
11
D7
19
D6
18
D5
17
D4
16
D3
15
D2
13
D1
12
GND
14
OE
22
CS
20
WE
27
U14
MS62256
A0
10
A1
9
A2
8
A3
7
A4
6
A5
5
A6
4
A7
3
A8
25
A9
24
A10
21
A11
23
A12
2
A13
26
A14
1
VCC
28
D0
11
D7
19
D6
18
D5
17
D4
16
D3
15
D2
13
D1
12
GND
14
OE
22
CS
20
WE
27
U15
MS62256
A0
11
A1
10
A2
9
A3
8
A4
7
A5
6
A6
5
A7
4
A8
29
A9
28
A10
24
A11
27
A12
3
N/C
1
N/C
2
N/C
12
VCC
32
D0
13
D7
22
D6
21
D5
20
D4
19
D3
18
D2
15
D1
14
N/C
30
N/C
26
N/C
17
CS
23
OE
25
WE
31
GND
16
U6
28C64
A0
11
A1
10
A2
9
A3
8
A4
7
A5
6
A6
5
A7
4
A8
29
A9
28
A10
24
A11
27
A12
3
N/C
1
N/C
2
N/C
12
VCC
32
D0
13
D7
22
D6
21
D5
20
D4
19
D3
18
D2
15
D1
14
N/C
30
N/C
26
N/C
17
CS
23
OE
25
WE
31
GND
16
U7
28C64
XTAL1
21
XTAL2
20
P1.0
2
P1.1
3
P1.2
4
P1.3
5
P1.4
6
P1.5
7
P1.6
8
P1.7
9
RST
10
ALE
33
PSEN
32
TXD
13
RXD
11
INT1
15
INT0
14
T0
16
T1
17
AD3
40
AD4
39
AD5
38
AD6
37
AD7
36
A8
24
A9
25
A10
26
A11
27
A12
28
A13
29
A14
30
A15
31
WR
18
AD
19
AD2
41
AD1
42
AD0
43
N/C
1
N/C
12
N/C
23
NC
34
EA
35
VDD
44
VSS
22
U3
80C31
AL0
7
DL0
17
AL1
8
AL2
9
AL3
10
AL4
11
AL5
12
AL6
13
AL7
14
AL8
15
AL9
16
NC
5
DL1
18
DL2
19
DL3
20
DL4
21
DL5
22
DL6
23
DL7
24
R/WL
2
CEL
1
OEL
6
INTL
4
BSYL
3
NC
25
NC
35
DR0
27
R/WR
50
DR1
28
DR2
29
DR3
30
DR4
31
DR5
32
DR6
33
DR7
34
AR0
45
CER
51
AR1
44
AR2
43
AR3
42
AR4
41
AR5
40
AR6
39
AR7
38
AR8
37
AR9
36
VCC
52
OER
46
INTR
48
BSYR
49
NC
47
GND
26
U9
CY7C130
RST
9
GND
8
N/C
10
R/S/T/
11
N/C
12
ST
13
N/C
14
VCC
15
N/C
16
N/C
1
PBRST
2
N/C
3
TD
4
N/C
5
TOL
6
N/C
7
U1
DS1232
1
2
3
U16A
74HC00
8
9
10
U16C
74HC00
11
12
13
U16D
74HC00
14
7
U16E
74HC00
4
5
6
U16B
74HC00
OC
1
C
11
1D
2
2D
3
3D
4
4D
5
5D
6
6D
7
7D
8
8D
9
G1
19
G2
18
G3
17
G4
16
G5
15
G6
14
G7
13
G8
12
VCC
20
GND
10
U21
74HC573
34
U22B
74HCT14
5 6
U22C
74HCT14
8 9
U22D
74HCT14
10 11
U22E
74HCT14
1213
U22F
74HCT14
14
7
U22G
74HCT14
S1
2-SPST
A0
11
VCC
32
A1
10
A2
9
A3
8
A4
7
A5
6
A6
5
A7
4
A8
29
A9
28
A10
24
A11
27
A12
3
A13
30
A14
31
CE
23
OE
25
VPP
2
O0
13
O1
14
O2
15
O3
18
O4
19
O5
20
O6
21
O7
22
N/C
1
N/C
12
N/C
17
N/C
26
GND
16
U94
27C256-12A
A0
11
VCC
32
A1
10
A2
9
A3
8
A4
7
A5
6
A6
5
A7
4
A8
29
A9
28
A10
24
A11
27
A12
3
A13
30
A14
31
CE
23
OE
25
VPP
2
O0
13
O1
14
O2
15
O3
18
O4
19
O5
20
O6
21
O7
22
N/C
1
N/C
12
N/C
17
N/C
26
GND
16
U98
27C256-12A
C10
.22F
VCC
23
VCC
35
VCC
61
VCC
62
X1
51
X2/CLKIN
52
CLKOUT1
58
CLKOUT2
57
CLKR
64
CLKX
63
DR
24
DX
54
FSR
25
FSX
53
BR
50
SYNC
19
HOLD
67
HOLDA
55
BIO
68
MP/MC
1
INT0
20
INT1
21
INT2
22
READY
66
XF
56
R/S/
65
VSS
10
VSS
27
VSS
44
MSC
59
IACK
60
STRB
49
R/W
48
IS
46
PS
47
DS
45
D7
11
D6
12
D5
13
D4
14
D3
15
D2
16
D1
17
D0
18
A15
43
A14
42
A13
41
A12
40
A11
39
A10
38
A9
37
A8
36
A7
34
A6
33
A5
32
A4
31
A3
30
A2
29
A1
28
A0
26
D8
9
D9
8
D10
7
D11
6
D12
5
D13
4
D14
3
D15
2
U13
TM320C25CFN
TP1
TP3
TP4
TP5
4 INDUCTANCE IS IN MICROHENRYS
3 DIODES ARE 1N4148
2 CAPACITANCE IS IN MICROFARADS
1 RESISTANCE IS IN OHMS
AC[0..15]
AC0
AC1
AC2
AC3
AC4
AC5
AC6
AC7
AC8
AC9
AC[0..15]
AC0
AC1
AC2
AC3
AC4
AC5
AC6
AC7
AC8
AC9
AC10
AC11
AC12
AC[0..15]
AC15
AC0
AC1
AC2
AC3
AC4
AC5
AC6
AC7
AC8
AC9
AC10
AC11
AC12
AC[0..15]
AC0
AC1
AC2
AC3
AC4
AC5
AC6
AC7
AC8
AC9
AC10
AC11
AC12
AC13
AC14
AC[0..15]
AC13
AC14
AC15
AC[0..15]
AC[0..15]
AC[0..15]
DC[0..7]
DC[0..7]DC[0..7]DC[0..7]
DC[0..7]
DC[0..7]
AD[0..15]
AD[0..15]
AD[0..15]
AD[0..15]
AD[0..15]
DD[0..15]
DD[0..15]
DD[0..15]
DD[0..15]
AURXFP
1
AURXM
2
AURXCP
3
DTXOP
4
DTXOM
5
DTXIP
6
DTXIM
7
OUTP
8
OUTM
9
M0
10
M1
11
PD
12
RST
13
DVSS
14
DVDD1
15
DOUT
16
DIN
17
NC
18
SCLK
19
MCLK
20
FSD
21
FS
22
FLAG
23
FC
24
DCSI
25
ALTIN
26
M/S
27
NC
28
DVSS
29
DVDD2
30
NC
31
NC
32
AVSS
33
AVDD2
34
NC
35
NC
36
NC
37
FILT
38
NC
39
AVSS
40
NC
41
AVSS
42
VMID
43
NC
44
AVDD1
45
AVSS
46
INP
47
INM
48
U11
TLV320AIC10
NC
1
GND
2
OUT
3
VCC
4
U12
FMTC5S050C-20.48000M
R15
22 OHM
C27
.1MF
+5V
C11
.1MF
C21
.1MF
R21
DNP
R22
10K
R23
10K
R16
10K
R17
10K
R18 10K
R19 10K
R20
DNP
R25
DNP 0K
R26
DNP
R24
4.7K
L1
Bead
+5V
+5VA
C7
.1MF
+5VA
TP2
R4
10K
R11
10K
R5
604 OHM
R7
10K
R10
10K
R8
10K
R9
10K
C33
.1MF
C35
.1MF
+5VA
-5V
A_OUT
FS
AUD_MCLK
SCLK
CODEC_IN
CODEC_OUT
C9
.1MF
+3.3V
AGND PLANE
Place R25 near U11 pin 33 for single point GND connection
E
JN
C13
.1MF
2
3
1
U17A
LMC6492AEMX
8
4
U17C
LMC6492AEMX
5
6
7
U17B
LMC6492AEMX
ASSY: 010-00200
PCB: 738215
FID1
FID2 FID3 FID4 FID5 FID6
OE
1
GND
2
OUT
3
VCC
4
U2
CB3-3I-11M0592
OSC = 11.0592MHz
C36
.1MF
R28
22 OHM
R27
10K
+5V
+5V
FC
1
CAP+
2
GND
3
CAP-
4
OUT
5
LV
6
OSC
7
V+
8
U10
MAX660ESA
C1
10UF
C6
10UF
C
1
D
2
Q
3
GND
4
Q
5
CLR
6
PRE
7
VCC
8
U23
7SZ74
+5V
5
C37
.1MF
C38
0.01uF
C42
0.1uF
C41
0.1uF
C40
0.1uF
C43
0.1uF
+5V+5V+5V
+5V
C3
47uF
C4
47uF
C44
47uF
C34
47uF
C12
22uF
C18
22uF
C2
22uF
C39
.1MF
+5V
R29
0K
R30
22 OHM
R31
22 OHM
LEVEL SHIFTERS
+3.3V
+3.3V
+3.3V
C49
0.1uF
+5V
C47
10UF
C45
10UF
C46
DNP
+3.3V
ADJ
4
IN
1
OUT
5
GND
2
BYP
3
U32
LT1761
R32
2.7K
R33
1.58K
+5V
SPARE GATES
14
7
U31E
74HCT125D
2
1
3
U31A
74HCT125D
5
4
6
U31B
74HCT125D
9
10
8
U31C
74HCT125D
12
13
11
U31D
74HCT125D
9
10
8
U30C
74LCX125DT
5
4
6
U30B
74LCX125DT
2
1
3
7 14
U30A
74LCX125DT
C48
0.1uF
+3.3V
12
13
11
U30D
74LCX125DT
R6
22K
F
JN
G
JN
PRC1099A-MS
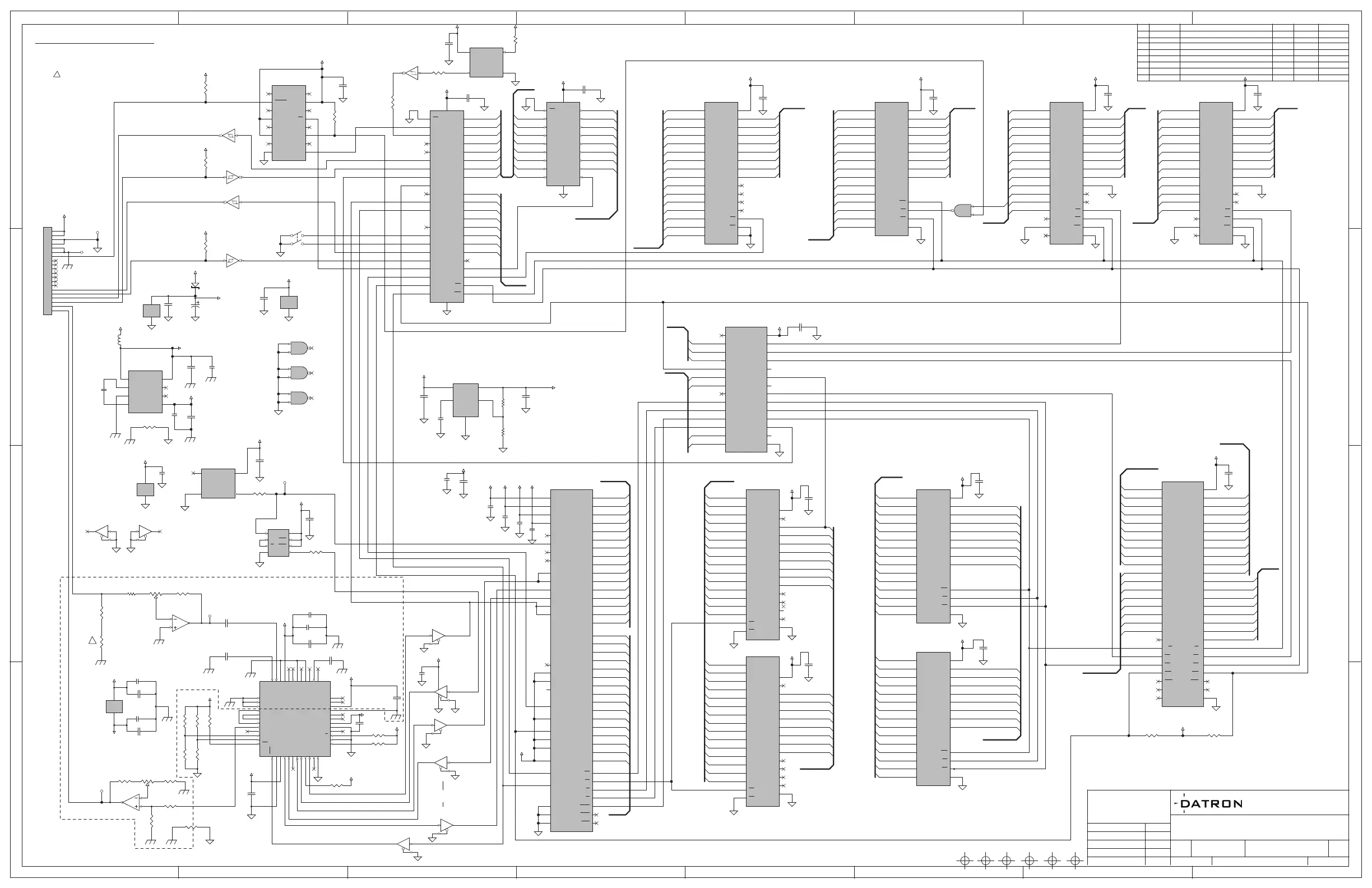
Figure 13-5
ALE Board
Schematic Diagram
(994166 Rev. G)
13-9
0.01uF
11-09-05
CORR. TO MATCH BD.
05-0413
8/11/10
10-0418
U94 was U18, U98 was U19
R12 DNP, ADD C50 100uF
12-0629
12/11/12
REMOVE C50
12/11/12
13-0006
MAIN
PROCESSOR
CLOCK
OSC.
EPROM
PROGRAM
STORAGE
DSP HIGH
STABILITY
CLOCK OSC.
MEMORY
BACKUP
POWER
RAM
RESET
CONTROLLER
DSP
PROCESSOR
PROGRAMMABLE
LOGIC
DUAL
PORT
RAM
EPROM
PROGRAM
STORAGE
DSP
RAM
REGULATOR
3.3V
NON-VOLATILE
MEMORY
NON-VOLATILE
MEMORY
AUDIO
INTERFACE
D-TYPE
FLIP-FLOP
VOLTAGE
CONVERTER
1
2
3
4
5
6
7
8
9
10
11
12
13
14
15
16
17
18
19
20

Other manuals for Datron PRC1099A

Related product manuals