EasyManua.ls Logo

dbx DriveRack 4820 - Block Diagram

dbx DriveRack 4820
96 pages
Print Icon
To Next Page IconTo Next Page
To Next Page IconTo Next Page
To Previous Page IconTo Previous Page
To Previous Page IconTo Previous Page
Loading...
®
Appendix
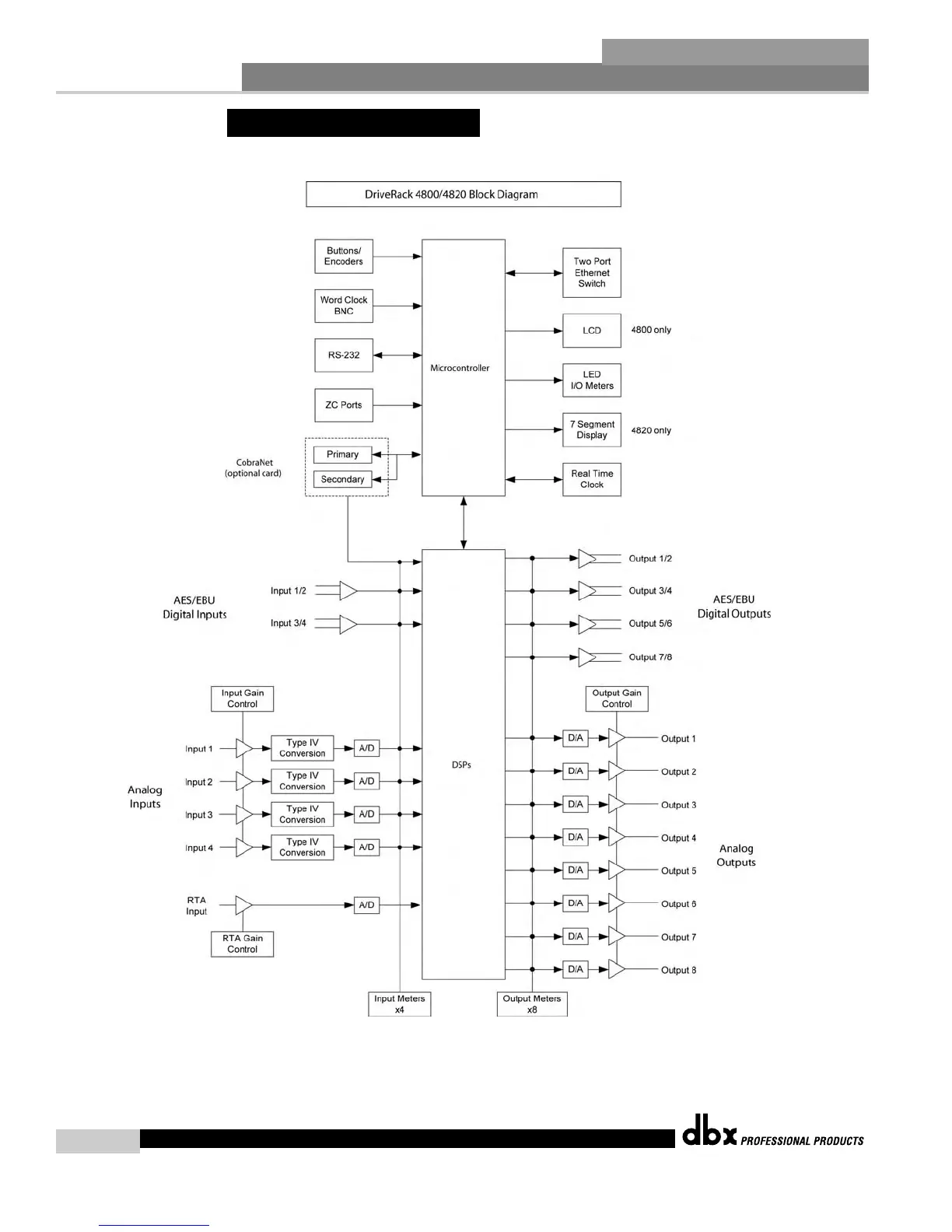
A.2 - Block Diagram
DriveRack
®
DriveRack
®
4800/4820 User Manual
70

Table of Contents

Related product manuals