EasyManua.ls Logo

Delta ASD-A2-2023 Series - 3.12 Standard Connection Example - 220 V series

Delta ASD-A2-2023 Series
721 pages
Print Icon
To Next Page IconTo Next Page
To Next Page IconTo Next Page
To Previous Page IconTo Previous Page
To Previous Page IconTo Previous Page
Loading...
ASDA-A2 Chapter 3 Wiring
Revision February, 2017 3-65
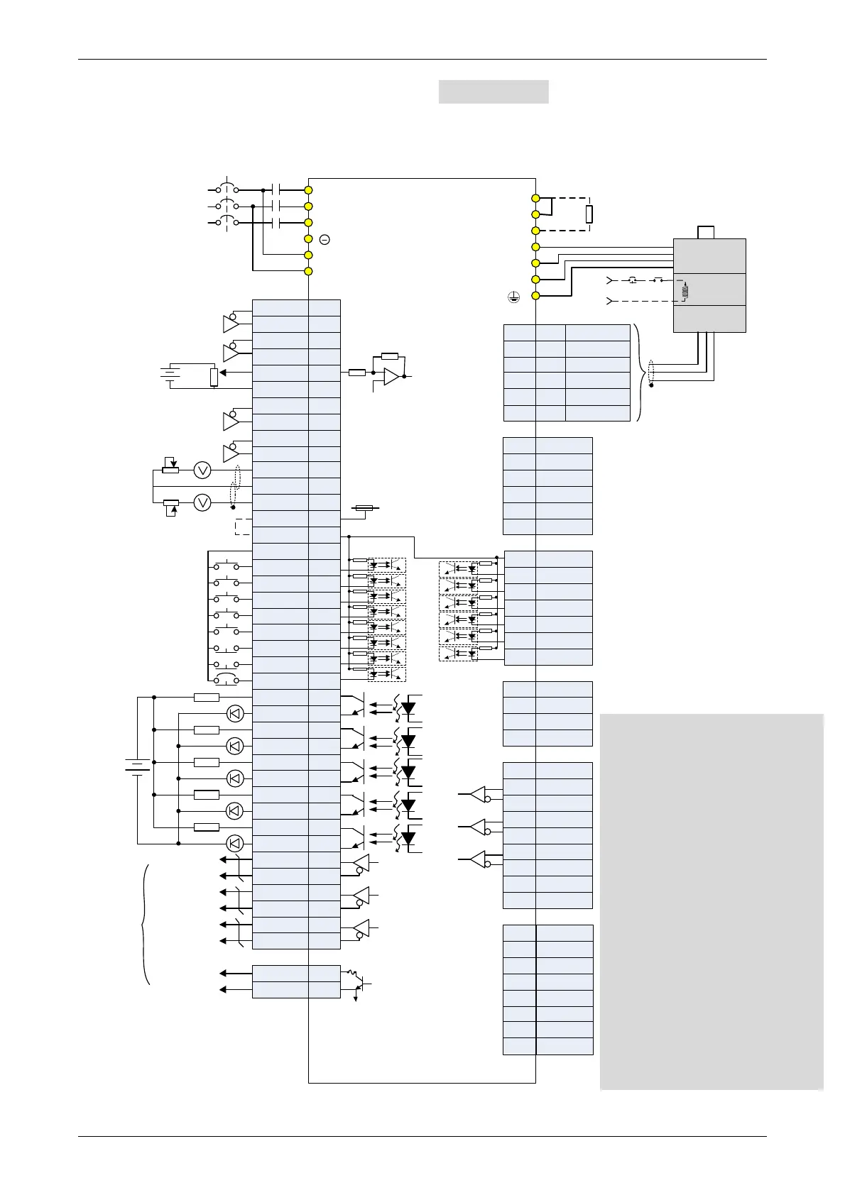
3.12 Standard Connection Example – 220V series
3.12.1 Position (PT) Control Mode
OCZ
GND
48
13
/HPULSE
HPULSE
SIGN
/PULSE
PULSE
/HSIGN
HSIGN
VDD
MON1
GND
MON2
COM+
COM-
DI1
DI2
DI3
DI4
DI5
DI6
DI7
DI8
DO1+
DO2-
DO3-
DO4-
DO2+
DO3+
DO4+
DO5+
DO1-
DO5-
/OA
OA
OB
/OB
/OZ
OZ
/SIGN
12,13,19
45,47,49
41
43
37
36
18
13
40
46
29
38
16
T-REF
GND
/SIGN
SIGN
15
17
11
9
10
34
8
33
32
30
7
6
5
4
3
1
2
26
28
31
21
22
24
50
27
25
23
RS485+
RS232_RX
RS232_TX
GND
RS485-
-
5
6
4
3
1
2
7
5
6
4
3
1
2
COM+
EDI9-
EDI10-
EDI11-
EDI12-
EDI13-
EDI14-
+5V DC
Data-
Data+
GND
4
3
1
2
1,9
3,11
2,10
4,12
5,13
6,14
7,15
8,16
CAN H
CAN L
CAN GND
-
-
-
CAN GND
-
Opt A
+5V
Opt B
Opt /B
Opt /A
Opt Z
Opt /Z
GND
GND
9
7
5
6
3
1
2
8
4
CN2
CN7
CN4
CN1
CN5
CN6 CANopen
P
D
C
U
V
W
4.7KΩ
4.7KΩ
4.7KΩ
4.7KΩ
4.7KΩ
4.7KΩ
4.7KΩ
4.7KΩ
4.7KΩ
4.7KΩ
4.7KΩ
4.7KΩ
4.7KΩ
4.7KΩ
Max. output
current 50mA
voltage 30V
R
S
T
L1c
L2c
MC
MCCB
Servo Drive
ASDA-A2 series
SON
CCLR
TCM0
TCM1
ARST
NL
PL
EMGS
1.5KΩ
1.5KΩ
1.5KΩ
1.5KΩ
1.5KΩ
SRDY
ZSPD
TPOS
HOME
ALRM
24V
A phase pulse
B phase pulse
Z phase pulse
Z phase open
collector
Encoder
Pulse
Output
10KΩ
10KΩ
Twisted-pair or
twisted-shield
cable
10KΩ
±10V
10KΩ
10KΩ
DC 24V
Regenerative
Resistor
Red
White
Black
Green
SG
Brake
Power Supply
Encoder
BRKREMGS
24V
AC 200/230 V
Three-phase
50/60Hz
8
Pulse Input
(Line Driver)
1
High-speed
Pulse Input
(Line Receiver)
2
3
4
5
6
7
T+
T-
-
+5V
-
GND
4
7
13,15
14,16
9
5
CN3
Blue
Blue/Black
-
Black/Black &
White
Red/Red &
White
-
SG
Twisted-pair or
twisted-shield
cable
Please note:
*1 Please refer to C3 ~ C4 wiring
diagrams in section 3.4.3.
*2 Please refer to C3 ~ C4 wiring
diagrams in section 3.4.3.
*3 Please refer to C9 ~ C12 wiring
diagrams (SINK / SOURCE mode)
in section 3.4.3.
*4 400W and below drives do not
provide built-in regenerative
resistor.
*5 The coil of brake has no polarity.
*6 For extension digital inputs (DI)
connections (CN7 is an optional
part, not Delta standard supplied
part.).
*7 For USB connection. It is used to
connect to personal computer or
notebook.
*8 Single -phase connections are for
servo drives 1.5kW and below only.

Table of Contents

Other manuals for Delta ASD-A2-2023 Series

Related product manuals