EasyManua.ls Logo

Delta ASD-A2-2023 Series - Page 74

Delta ASD-A2-2023 Series
721 pages
Print Icon
To Next Page IconTo Next Page
To Next Page IconTo Next Page
To Previous Page IconTo Previous Page
To Previous Page IconTo Previous Page
Loading...
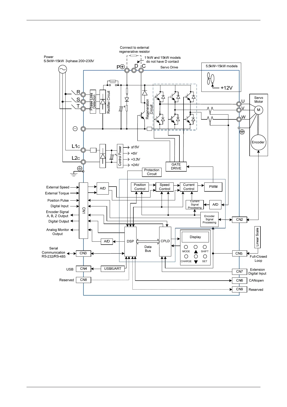
ASDA-A2 Chapter 3 Wiring
Revision February, 2017 3-27
5.5kW to 15kW models (with built-in fan but no regenerative resistor)

Table of Contents

Other manuals for Delta ASD-A2-2023 Series

Related product manuals