EasyManua.ls Logo

Delta ASD-A2-2043 Series

Delta ASD-A2-2043 Series
721 pages
To Next Page IconTo Next Page
To Next Page IconTo Next Page
To Previous Page IconTo Previous Page
To Previous Page IconTo Previous Page
Loading...
ASDA-A2 Chapter 3 Wiring
Revision February, 2017 3-45
C4-1: Pulse input (Line driver) can only apply to 5V power. Do not apply to 24V power.
51Ω
51Ω
51Ω
Max. input pulse
frequency is
500Kpps
51Ω
SG
/SIGN
/PULSE
SIGN 36
37
43
Servo DriveController
PULSE
41
Max. input pulse
frequency is
500Kpps
This opto-isolator is one-way input, please be ensured the direction of
current of pulse input is correct.
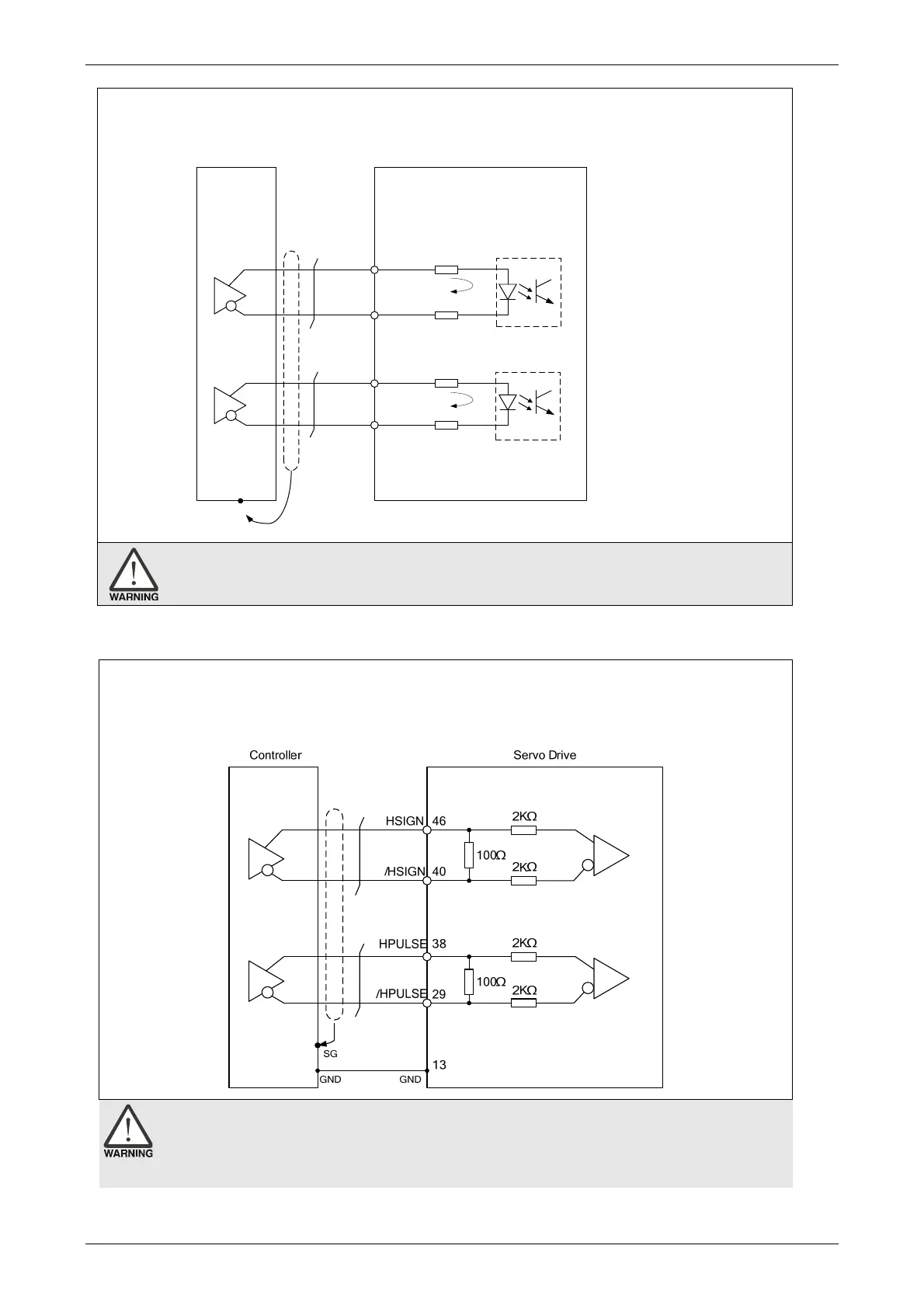
C4-2: High-speed pulse input (Line driver) can only apply to 5V power. Do not apply to
24V power.
The high-speed pulse input interface of the servo drive is not the isolated
interface. In order to reduce the interference of the noise, it is suggested
that the terminal ground of the controller and the servo drive should be
connected to each other.

Table of Contents

Other manuals for Delta ASD-A2-2043 Series

Related product manuals