EasyManua.ls Logo

Delta ASDA-A2 - Page 23

Delta ASDA-A2
37 pages
To Next Page IconTo Next Page
To Next Page IconTo Next Page
To Previous Page IconTo Previous Page
To Previous Page IconTo Previous Page
Loading...
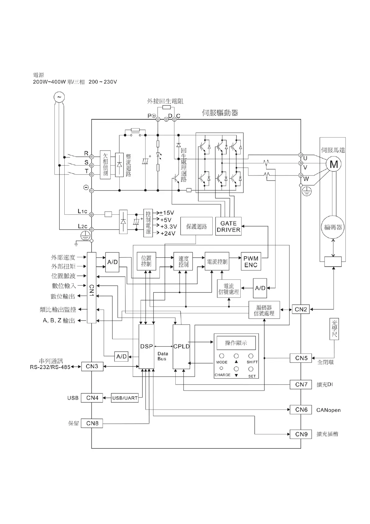
᜗խ-10
Ҩڇր௚ૄώ๴ဦ
400W
Ğӣğͽ˭፟჌Ğ൑ޙаϠ࿪ܡğ

Other manuals for Delta ASDA-A2

Related product manuals