EasyManua.ls Logo

Delta ASDA-A2 - Page 24

Delta ASDA-A2
37 pages
To Next Page IconTo Next Page
To Next Page IconTo Next Page
To Previous Page IconTo Previous Page
To Previous Page IconTo Previous Page
Loading...
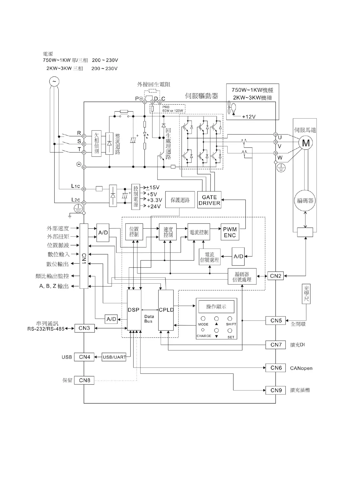
᜗խ-11
750W
Ğӣğͽ˯፟჌Ğޙ໶֘࿪ܡ׶ࢲğ

Other manuals for Delta ASDA-A2

Related product manuals