EasyManua.ls Logo

Denon AVR-2808 - Page 142

Denon AVR-2808
155 pages
Print Icon
To Next Page IconTo Next Page
To Next Page IconTo Next Page
To Previous Page IconTo Previous Page
To Previous Page IconTo Previous Page
Loading...
87654321
A
B
C
D
E
F
AVR-2808CI / AVR-988 / AVR-2808 / AVC-2808
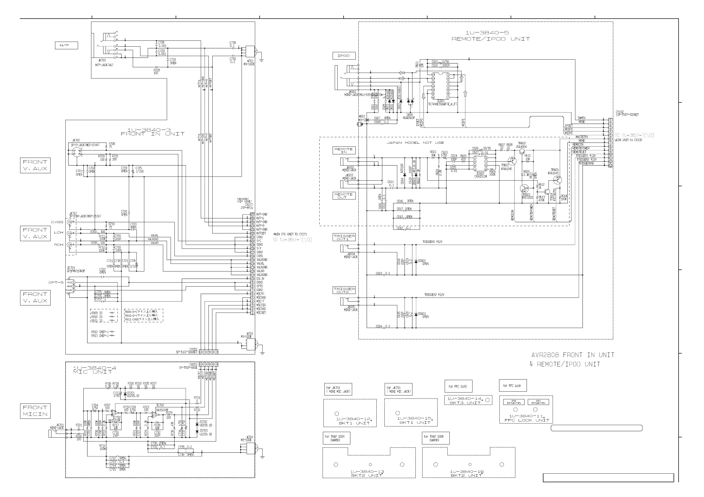
SCHEMATIC DIAGRAMS (18/31)
1U-3840 FRONT UNIT (2/3)
1U-3840-3 FRONT IN UNIT
1U-3840-4 MIC UNIT
1U-3840-5 REMOTE/IPOD UNIT
AVR-2808CI/AVR-2808/AVC-2808 model

Other manuals for Denon AVR-2808

Related product manuals