EasyManua.ls Logo

Denon AVR-4520CI - Page 215

Denon AVR-4520CI
281 pages
To Next Page IconTo Next Page
To Next Page IconTo Next Page
To Previous Page IconTo Previous Page
To Previous Page IconTo Previous Page
Loading...
215
PCM1795 Block Diagram
PCM1795
SLES248MAY 2009........................................................................................................................................................................................................
www.ti.com
Table 1. TERMINAL FUNCTIONS (continued)
TERMINAL
NAME NO. I/O DESCRIPTION
SCK 7 I System clock input
(2)
V
CC
1 23 Analog power supply, 5 V
V
CC
2L 28 Analog power supply (left channel DACFF), 5 V
V
CC
2R 15 Analog power supply (right channel DACFF), 5 V
V
COM
L 22 Left channel internal bias decoupling pin
V
COM
R 21 Right channel internal bias decoupling pin
V
DD
9 Digital power supply, 3.3 V
ZEROL 1 I/O Zero flag for left channel
(4)
ZEROR 2 I/O Zero flag for right channel
(4)
8 Submit Documentation Feedback Copyright © 2009, Texas Instruments Incorporated
Product Folder Link(s): PCM1795
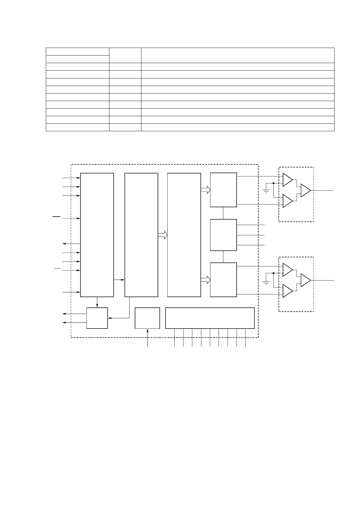
FUNCTIONAL BLOCK DIAGRAM
PowerSupply
RST
SCK
Advanced
Segment
DAC
Modulator
I
OUT
L+
I
OUT
L
I
OUT
R
I
OUT
R+
Bias
andV
REF
V
COM
L
V
COM
R
AGND2
V
DD
V
CC
1
V
CC
2L
V
CC
2R
AGND1
I/V andFilter
x8
Oversampling
DigitalFilter
and
FunctionControl
Audio
DataInput
I/F
LRCK
BCK
D ATA
MDO
MDI
MC
MS
AGND3L
AGND3R
DGND
Current
Segment
DAC
I
REF
V
OUT
L
I/VandFilter
V
OUT
R
Function
ControlI/F
MSEL
Zero
Detect
ZEROL
ZEROR
System
Clock
Manager
Current
Segment
DAC
PCM1795
SLES248MAY 2009........................................................................................................................................................................................................
www.ti.com
6 Submit Documentation Feedback Copyright © 2009, Texas Instruments Incorporated
Product Folder Link(s): PCM1795

Table of Contents

Other manuals for Denon AVR-4520CI

Related product manuals