EasyManua.ls Logo

Denon DCD-710AE - IC15: TMP92 CD28 AFG Block Diagram; IC15: TMP92 CD28 AFG Terminal Functions

Denon DCD-710AE
76 pages
Print Icon
To Next Page IconTo Next Page
To Next Page IconTo Next Page
To Previous Page IconTo Previous Page
To Previous Page IconTo Previous Page
Loading...
40
DCD-710AE
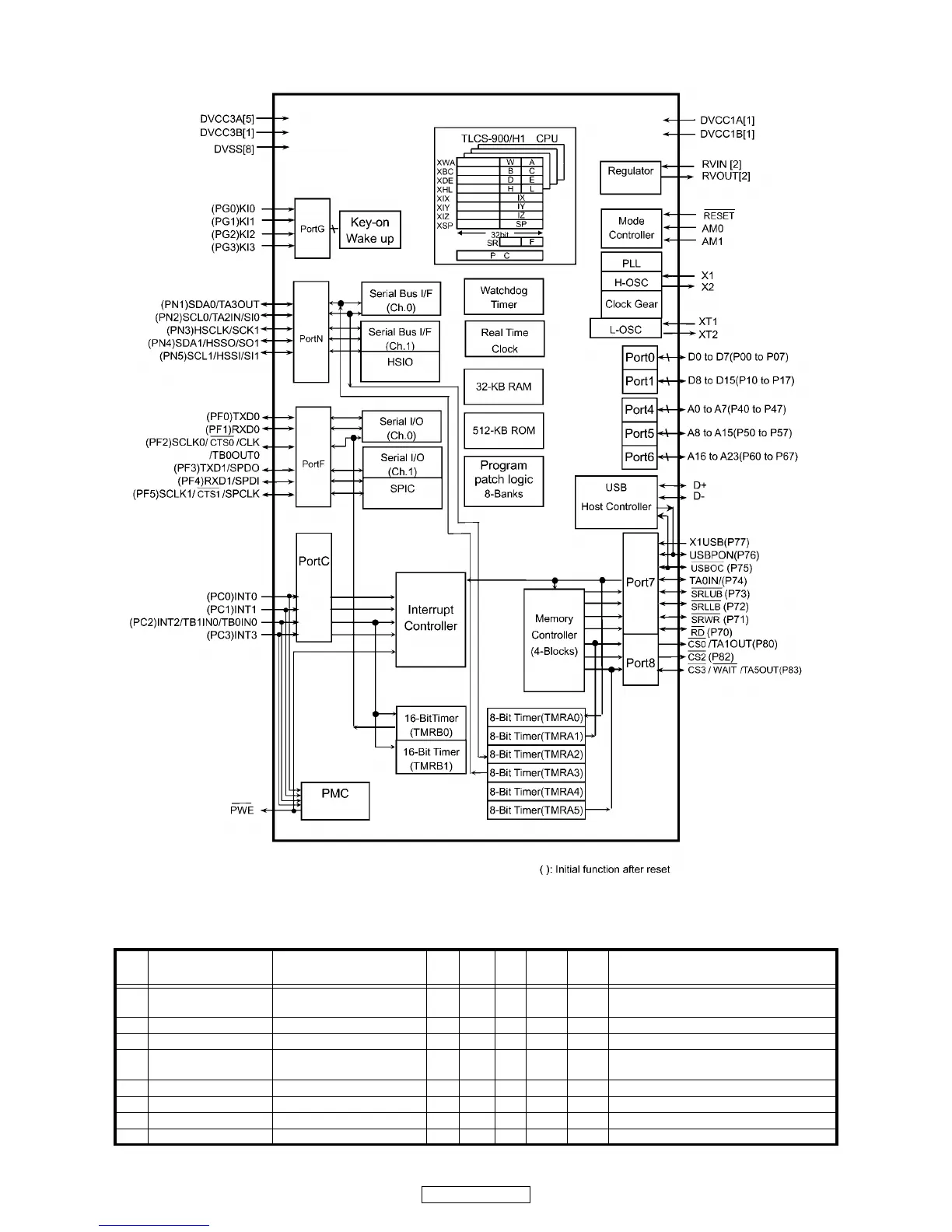
TMP92CD28AFG Block Diagram
TMP92CD28AFG Terminal Function
Pin
No
IC Terminal name
DCD-710AE/755SE
Terminal name
I/O RST INIT STB
Pull
U/D
Port function
1 /RESET RESETTerminal I I I - PU Port only for input
(Schmitt input and PU resistance)
2 PC0/INT0 Reserved I - I - PD Port only for input (with Schmidt input)
3 PC1/INT1 Non (PD) I - I - PD Port only for input (with Schmidt input)
4 PC2/INT2/TB1IN0/
TB0IN0
SYSTEM BUSY input I - I - Port only for input (with Schmidt input)
5 PC3/INT3 STREQ input I - I - Port only for input (with Schmidt input)
6 DVCC3B Power supply (+3.3V) P P P P - Power supply (+3.3V)
7 XT1 Non (NC) I I I - - Input port
8 XT2 Non (NC) O O I - - Output port

Other manuals for Denon DCD-710AE

Related product manuals