EasyManua.ls Logo

Denon DN-D4500 - Page 55

Denon DN-D4500
63 pages
Print Icon
To Next Page IconTo Next Page
To Next Page IconTo Next Page
To Previous Page IconTo Previous Page
To Previous Page IconTo Previous Page
Loading...
1234567891011
A
B
C
D
E
F
G
H
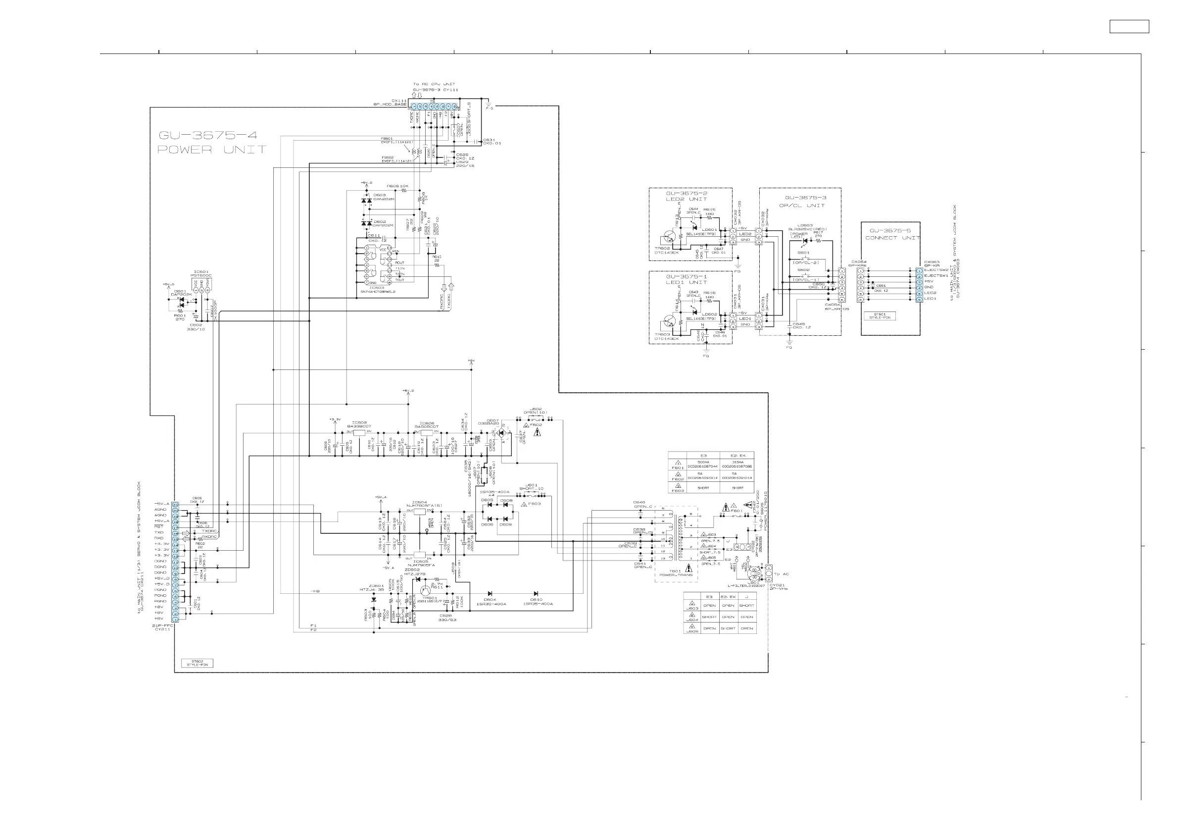
SCHEMATIC DIAGRAMS (4/5)
DN-D4500
55
SCHEMATIC DIAGRAMS (4/5)
GU-3675-1 LED1 UNIT
GU-3675-2 LED2 UNIT
GU-3675-3 OP/CL UNIT
GU-3675-4 POWER UNIT
GU-3675-5 CONNECT UNIT

Other manuals for Denon DN-D4500