EasyManua.ls Logo

Denso BHT-300B - Page 24

Denso BHT-300B
178 pages
Print Icon
To Next Page IconTo Next Page
To Next Page IconTo Next Page
To Previous Page IconTo Previous Page
To Previous Page IconTo Previous Page
Loading...
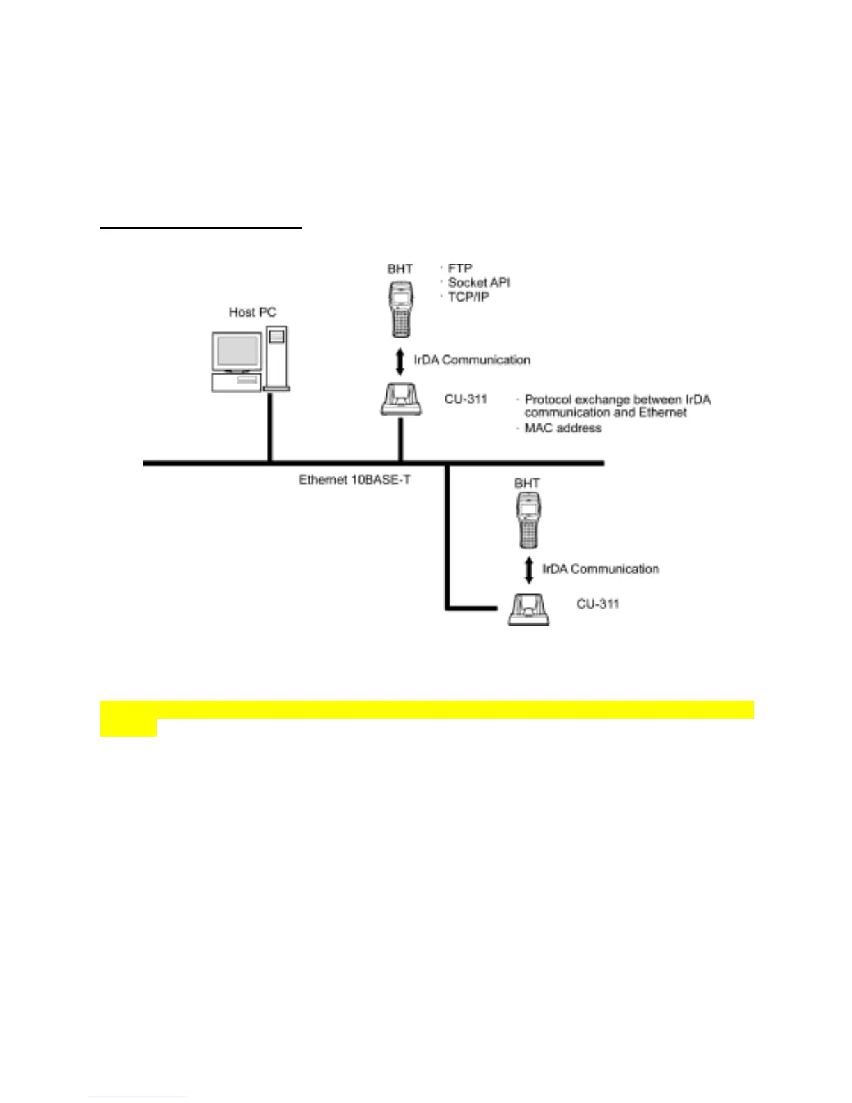
The LAN-support BHT can operate as a LAN client in a LAN communications system by connecting to
Ethernet via the LAN-support communication unit CU-311 (option).
CU-311 (option): Exchanges programs and data with the BHT via the IrDA interface and with the
host PC via Ethernet.
LAN communications system
For details about FTP and Socket API, refer to the BHT-BASIC Programmer's Manual.
NOTE: LAN configurations are available only with LAN-support BHTs on which LAN-support software is
installed.
10

Table of Contents

Related product manuals