EasyManua.ls Logo

DeVilbiss CVI - Liste de Pièces

DeVilbiss CVI
28 pages
Print Icon
To Next Page IconTo Next Page
To Next Page IconTo Next Page
To Previous Page IconTo Previous Page
To Previous Page IconTo Previous Page
Loading...
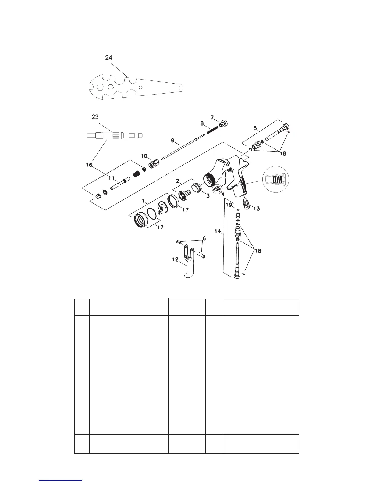
Page 20 SB-2-658-D
B
revet 2372465 (GB)
Numéro
de ref. Description de pièce Qté Options
1 Anneau déflecteur/anneau de retenue SP-100-***-K 1 505, 510 ex. *** = 510
2 Buse SP-200S-**-K 1 10, 12, 13, 14 ex. ** =13 =1,3 mm
+ 3 Séparateur SP-626-K5 5
+ 4 Garniture d’étanchéité GTI-445-K2 2
5 Soupape de diffusion SP-403-K 1
6 Pivot et vis GTI-408-K5 5
7 Vis de réglage du pointeau SP-614-K 1
+ 8 Ressort SP-622-K5 1
9 Pointeau SP-200S-**-K 1 10, 12, 13, 14 ex. ** =13 =1,3 mm
10
Boîtier et joint d’étanchéité de la soupape d’air
SP-612-K 1
11 Arbre 1
12 Gâchette SP-617-K 1
13 Connecteur SP-611-K 1
14 Soupape de débit d’air SP-402-K 1
16 Trousse d’entretien de la soupape d’air SPK-101-K 1
17 Bague d’arrêt et joints SPK-102-K 1
+18 Ensemble d’agrafe, joint et goupille GTI-428-K5 5
23 Outils de montage de soupape d’air 1
24 Tricoise SPN-5-K 1
Trousse d’entretien de pistolet pulvérisateur
SPK-402-K 1
(les pièces incluses sont identifiés par un +)
LISTE DE PIÈCES

Related product manuals