EasyManua.ls Logo

Dexter Laundry T-950 - Page 138

Dexter Laundry T-950
188 pages
Print Icon
To Next Page IconTo Next Page
To Next Page IconTo Next Page
To Previous Page IconTo Previous Page
To Previous Page IconTo Previous Page
Loading...
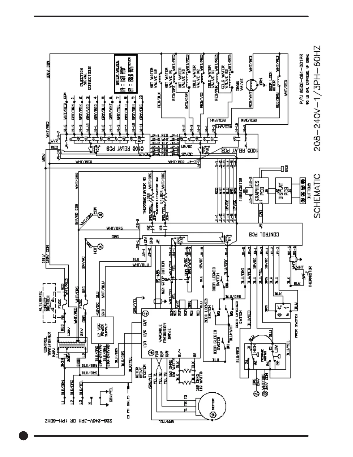
WN1450XB-12EO2 Schematic
138
Part # 8533-110-001 11/20

Table of Contents

Other manuals for Dexter Laundry T-950

Related product manuals