EasyManua.ls Logo

Dexter Laundry T-950 - Page 152

Dexter Laundry T-950
188 pages
Print Icon
To Next Page IconTo Next Page
To Next Page IconTo Next Page
To Previous Page IconTo Previous Page
To Previous Page IconTo Previous Page
Loading...
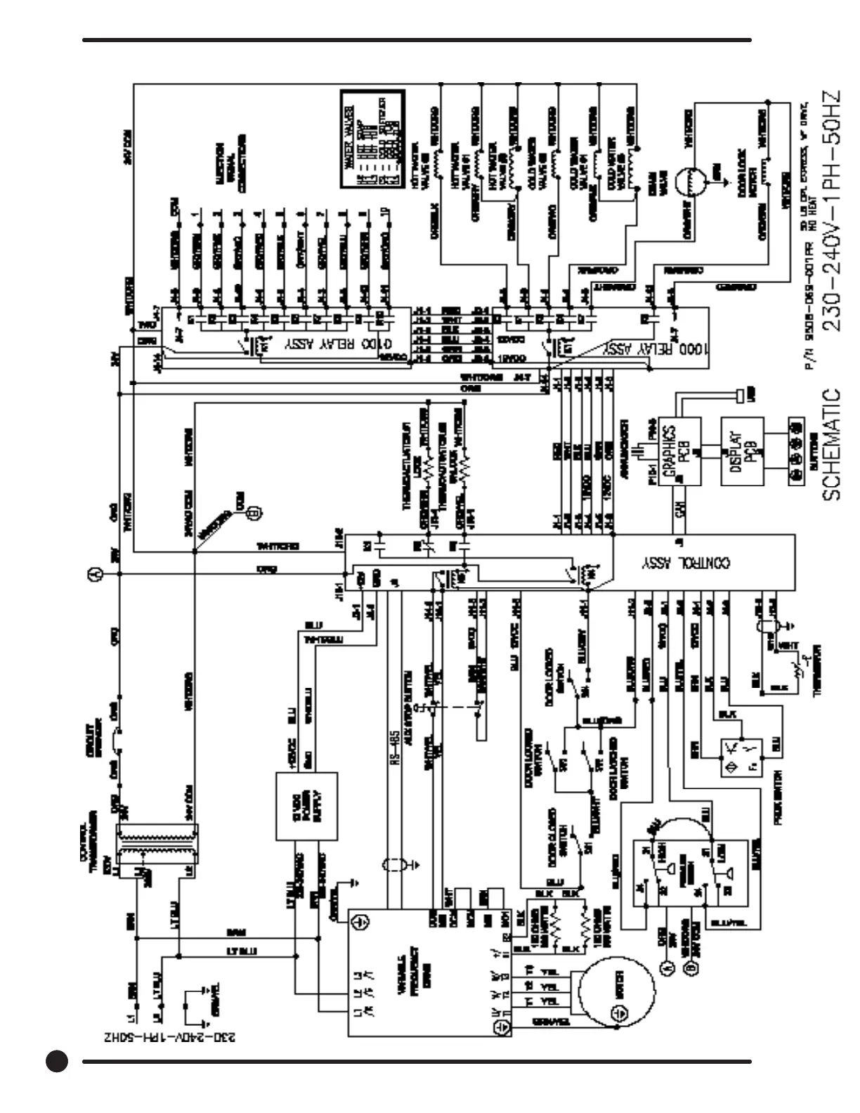
WN0750XB-39XO2 Schematic
152
Part # 8533-110-001 11/20
152

Table of Contents