EasyManua.ls Logo

Dexter Laundry T-950 - Page 154

Dexter Laundry T-950
188 pages
Print Icon
To Next Page IconTo Next Page
To Next Page IconTo Next Page
To Previous Page IconTo Previous Page
To Previous Page IconTo Previous Page
Loading...
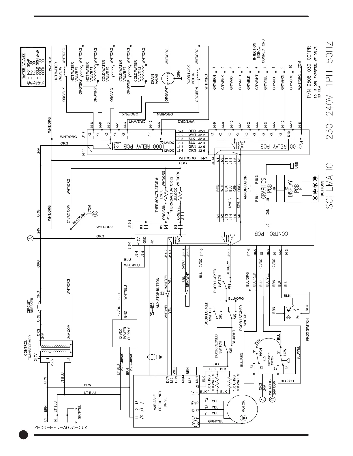
WN0950XB-39XO1 Schematic
154
Part # 8533-110-001 11/20
154

Table of Contents