EasyManua.ls Logo

Dexter Laundry T-950 - Page 156

Dexter Laundry T-950
188 pages
Print Icon
To Next Page IconTo Next Page
To Next Page IconTo Next Page
To Previous Page IconTo Previous Page
To Previous Page IconTo Previous Page
Loading...
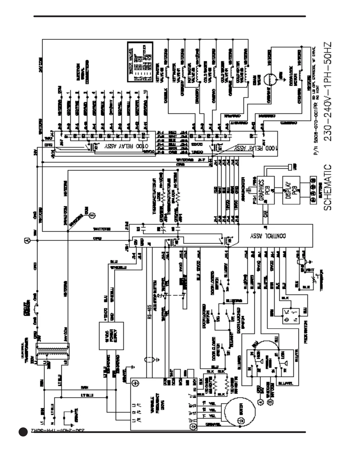
WN0950XB-39XO2 Schematic
156
Part # 8533-110-001 11/20
156

Table of Contents