EasyManua.ls Logo

Dexter Laundry T-950 - Page 158

Dexter Laundry T-950
188 pages
Print Icon
To Next Page IconTo Next Page
To Next Page IconTo Next Page
To Previous Page IconTo Previous Page
To Previous Page IconTo Previous Page
Loading...
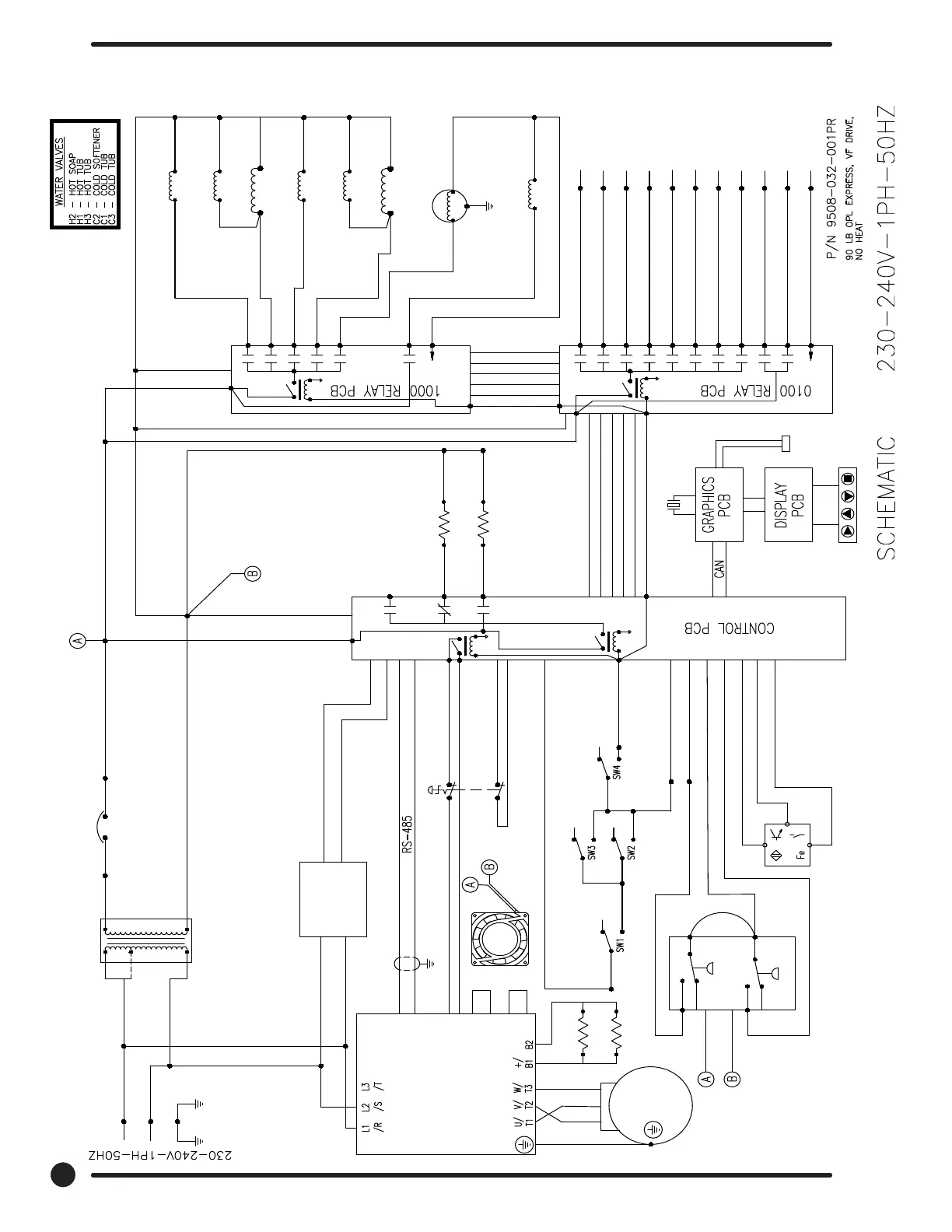
WN1450XB-39XO1 Schematic


















































































 
















 








































 





































































































































































 



158
Part # 8533-110-001 11/20
158

Table of Contents