EasyManua.ls Logo

Dexter Laundry T-950 - Page 166

Dexter Laundry T-950
188 pages
Print Icon
To Next Page IconTo Next Page
To Next Page IconTo Next Page
To Previous Page IconTo Previous Page
To Previous Page IconTo Previous Page
Loading...
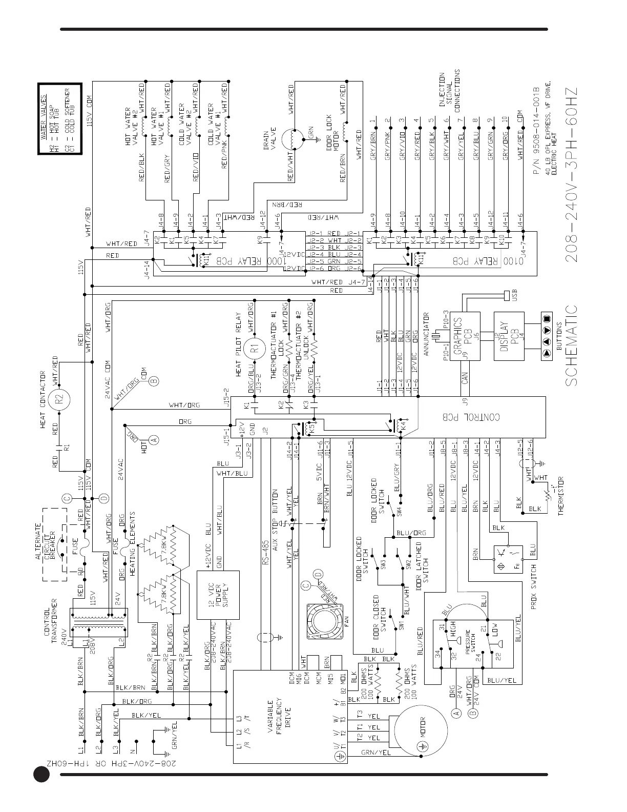
WN0650EB-13XO1 Schematic
166
Part # 8533-110-001 11/20

Table of Contents