EasyManua.ls Logo

digicon CATRAX Plus - 6.4.1 Inputs

digicon CATRAX Plus
37 pages
Print Icon
To Next Page IconTo Next Page
To Next Page IconTo Next Page
To Previous Page IconTo Previous Page
To Previous Page IconTo Previous Page
Loading...
21
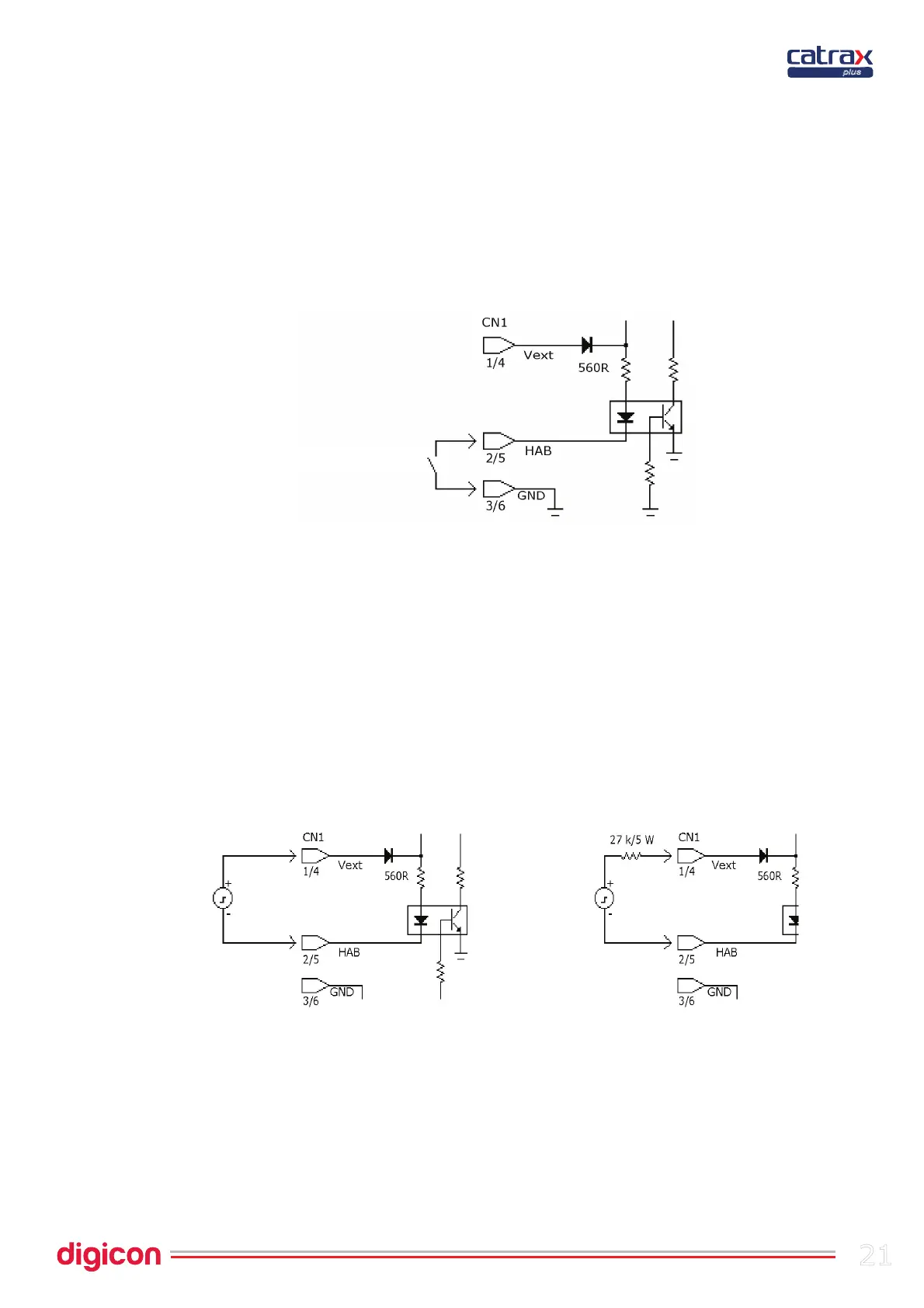
6.4.1 Inputs
The input signals or passage clearance (HAB1 and HAB2) can be originated by a relay
contact, pushbutton contact, tension from 5 to 24 Vca/cc, from 110 to 220 Vca/cc. To
enable passage through relay contact or pushbutton, make the connection as shown
below:
Enabling passage through tension pulse is shown in the image below. It is necessary to
observe the polarity of the Vcc voltages and to use an external resistor for high voltages
(110V and 220V).
plus
5 a 24
Vca ou Vcc
110 a 220
Vca ou Vcc
NO or NC contact