EasyManua.ls Logo

Dimplex LIA 0608BWCF M - Circuit Diagrams; Circuit Diagram LIA 0608 BWCF M; LIA 0911 BWCF M

Dimplex LIA 0608BWCF M
64 pages
Print Icon
To Next Page IconTo Next Page
To Next Page IconTo Next Page
To Previous Page IconTo Previous Page
To Previous Page IconTo Previous Page
Loading...
www.dimplex.de 452172.66.10-EN · FD 0311 EN-51
LIA 0608BWCF M - LIA 1316BWCF M English
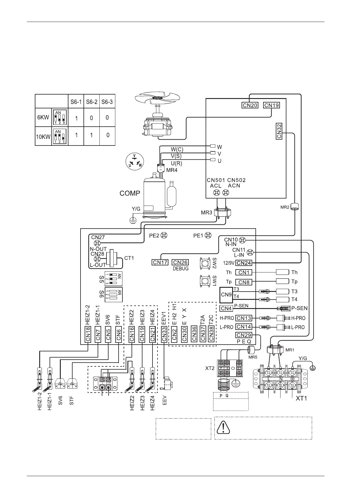
18 Circuit diagrams
18.1 Circuit diagram
LIA 0608BWCF M /
LIA 0911BWCF M
FACTORY
SETTINGS
blue
black
red
PCB A, Inverter board
for 1-phase
brown
blue
blue
brown
PCB B, Main control board
for 1-ph
Forced coolingTest
brown
brown
blue
blue
yellow
grey
black
To heater band
of drain
(>200mA)
Note: please use
a 2-core
shielded cable
To internal device
communication
The leakage circuit breaker
must be installed on
the power supply of the device.
power supply
Fan

Table of Contents

Related product manuals