EasyManua.ls Logo

Dimplex LIA 0608BWCF M - Circuit Diagram LIA 1316 BWCF M 1-Phase

Dimplex LIA 0608BWCF M
64 pages
Print Icon
To Next Page IconTo Next Page
To Next Page IconTo Next Page
To Previous Page IconTo Previous Page
To Previous Page IconTo Previous Page
Loading...
EN-52 452172.66.10-EN · FD 0311 www.dimplex.de
English LIA 0608BWCF M - LIA 1316BWCF M
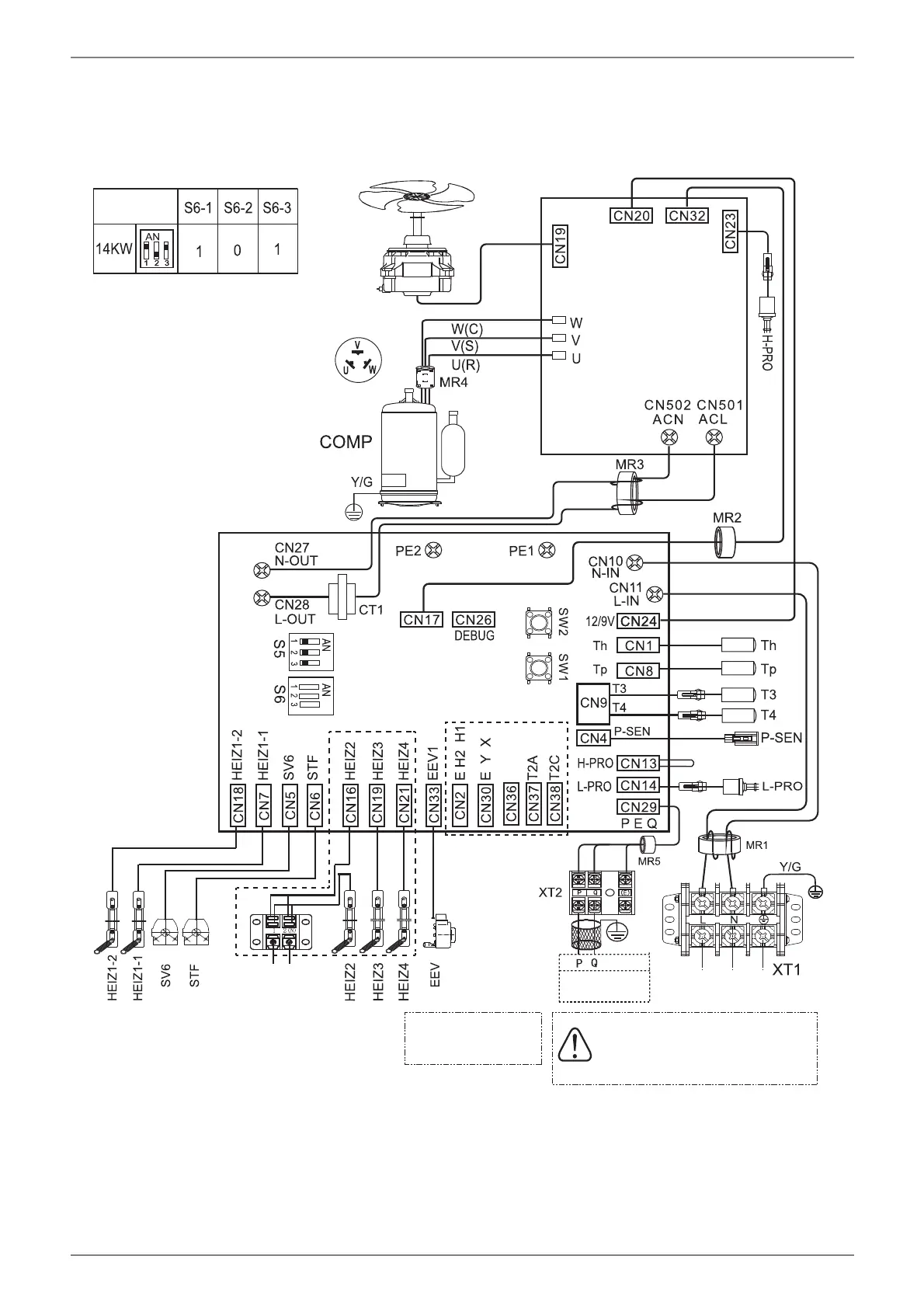
18.2 Circuit diagram
LIA 1316BWCF M 1-phase
FACTORY
SETTINGS
Fan
blue
black
red
PCB A, Inverter board
for 1-phase
blue
brown
blue
brown
Test Forced cooling
PCB B, Main control board
for 1-ph
brown
brown
blue
blue
yellow
grey
black
To heater band
of drain
(>200mA)
Note: please use
a 2-core
shielded cabl
The leakage circuit breaker
must be installed on
the power supply of the device.
To internal device
communication
power supply

Table of Contents

Related product manuals