EasyManua.ls Logo

Ditch Witch JT520 - Intended Use

Ditch Witch JT520
151 pages
Print Icon
To Next Page IconTo Next Page
To Next Page IconTo Next Page
To Previous Page IconTo Previous Page
To Previous Page IconTo Previous Page
Loading...
JT520 Operator’s Manual Overview - 3
Intended Use
CMW
Intended Use
The JT520 is a self-contained horizontal directional drilling unit designed to install buried cable and pipe at
distances to 150’ (45.7 m) depending on soil conditions and is intended for operation in ambient
temperatures from 0° to 115°F (-18° to 46°C). Use in any other way is considered contrary to the intended
use.
The JT520 can be used with Ditch Witch drilling fluid units and Ditch Witch locating equipment. It should be
operated, serviced, and repaired only by persons familiar with its particular characteristics and acquainted
with the relevant safety procedures.
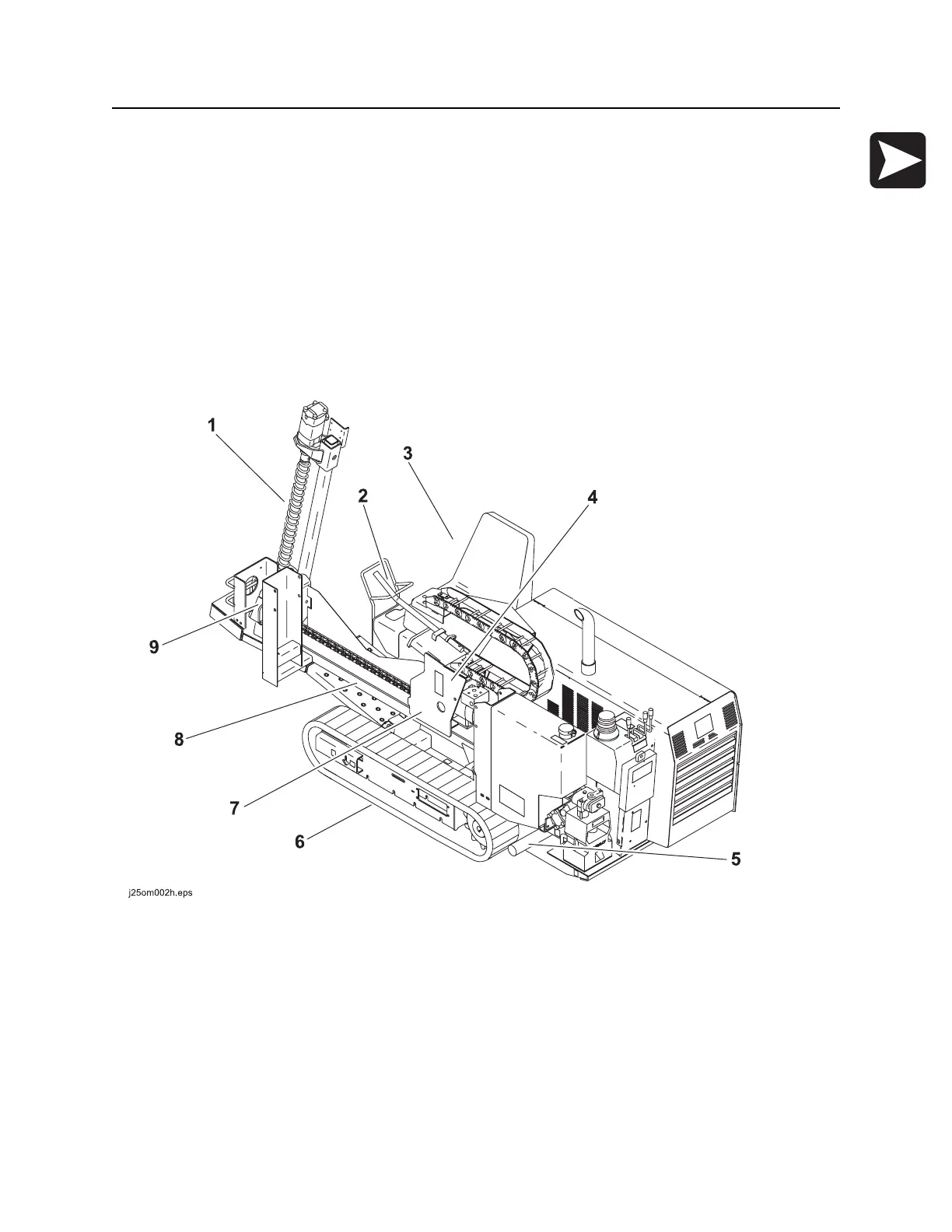
Unit Components
1. Anchoring system
2. Auxiliary wrench
3. Operator’s station
4. Carriage
5. Stabilizer
6. Tracks
7. Spindle
8. Drill frame
9. Front wrench

Table of Contents

Related product manuals