EasyManua.ls Logo

Dolmar PBV250 - Montage der Luftbesenrohre; Montage der Saugvorrichtung; Montageanweisungen

Dolmar PBV250
88 pages
Print Icon
To Next Page IconTo Next Page
To Next Page IconTo Next Page
To Previous Page IconTo Previous Page
To Previous Page IconTo Previous Page
Loading...
36
37
Montageanweisungen
VORSICHT: Stellen Sie vor der Durchführung von Arbeiten am
Luftbesen stets den Motor ab, und ziehen Sie den
Zündkerzenstecker von der Zündkerze ab. Tragen Sie
stets Schutzhandschuhe!
VORSICHT: Der Luftbesen darf erst angelassen werden, nachdem
er vollständig zusammengebaut worden ist.
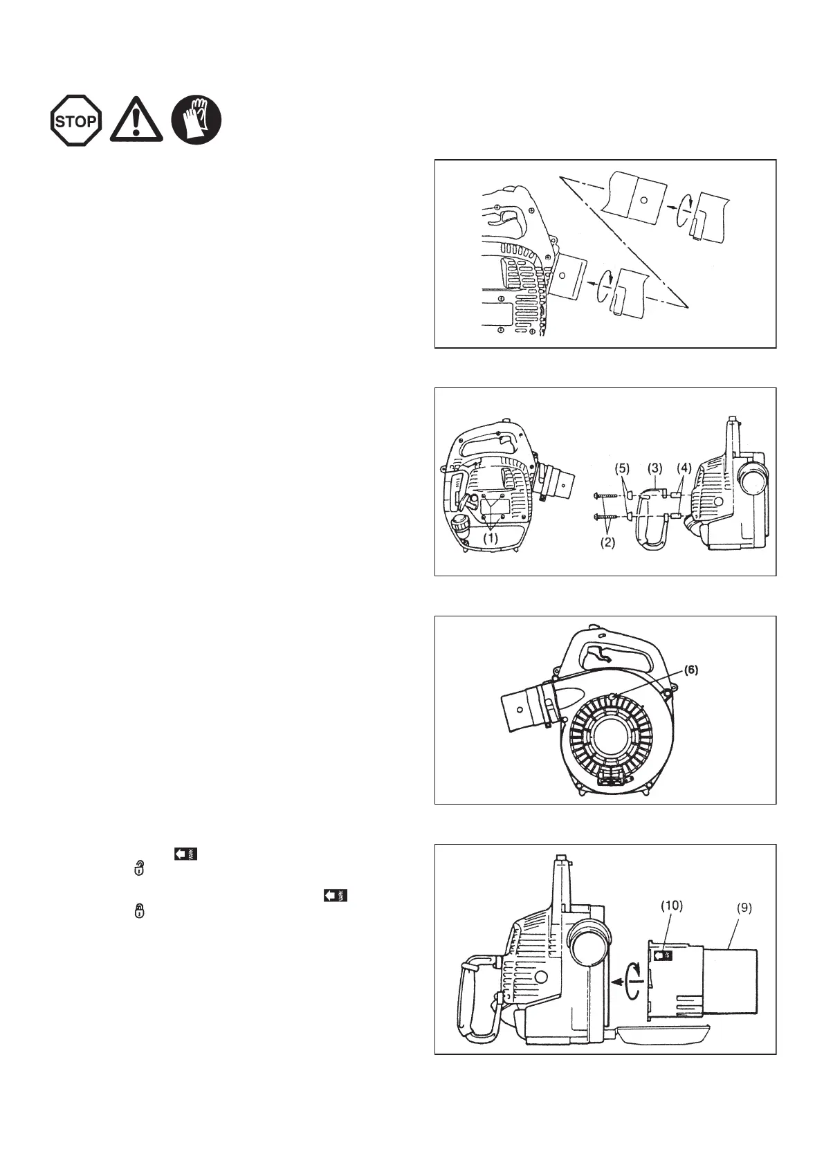
1. Montage der Luftbesenrohre
1) Die Nuten im Luftbesenrohr auf die Zapfen am Luftbesengehäuse
ausrichten, und das Rohr auf das Gehäuse schieben.
2) Das Bläserrohr im Uhrzeigersinn drehen, um es zu verriegeln.
2. Montage der Saugvorrichtung (Option)
1) Montieren des Griffes
(1) Die vier Schrauben (1) entfernen.
(2) Die mitgelieferten Schrauben (2), den Griff (3), die Abstandsstücke
(4) und die Kappen (5) am Luftbesen anbringen, wie in der Abbil-
dung gezeigt.
(3) Die Schrauben (2) einwandfrei anziehen.
2) Montieren des Luftbesensaugrohrs (Düse)
(1) Zuerst die Schraube (6).
(2) Die Markierung
(10) am Luftbesensaugrohr (9) auf die Mar-
kierung am Luftbesen ausrichten. Dann das Luftbesensaugrohr
(9) in den Luftbesen einführen.
(3) Das Saugrohr (9) drehen, bis die Markierung (10) der Mar-
kierung am Luftbesen gegenübersteht, um das Luftbesen sau-
grohr zu verriegeln.
VORSICHT: Halten Sie das Luftbesen saugrohr an seiner Unterseite,
wenn Sie es zum Anbringen oder Abnehmen drehen.

Table of Contents

Related product manuals