EasyManua.ls Logo

Dolmar PS-6400 - Crankcase and Crankshaft Replacement; Radial Ring Replacement Tool and Process

Dolmar PS-6400
44 pages
Print Icon
To Next Page IconTo Next Page
To Next Page IconTo Next Page
To Previous Page IconTo Previous Page
To Previous Page IconTo Previous Page
Loading...
38Repair Manual PS-6400/PS-7300/PS-7900
1
(10,0 Nm ± 1,0)
2
3
4
4
5
5
(10.0 Nm ± 1.0)
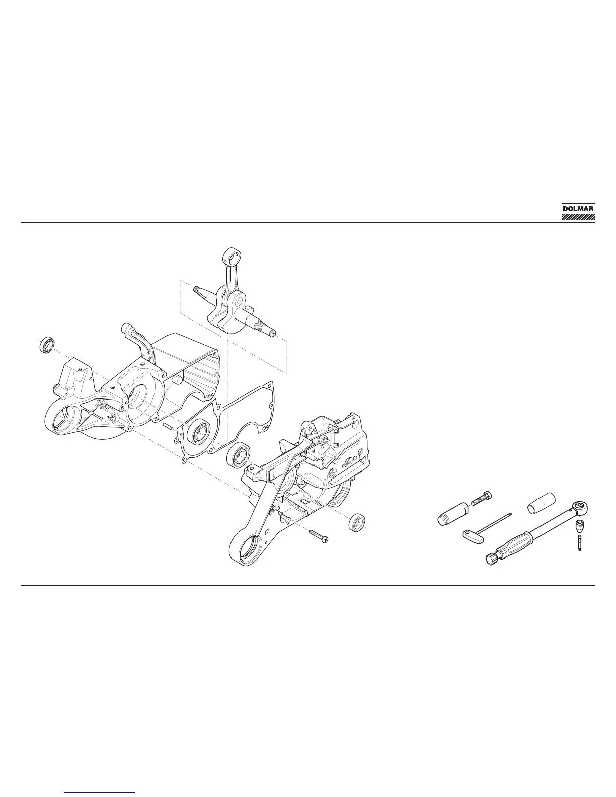
12 OUTSIDE COMPONENTS / CRANKCASE / CRANKSHAFT
Crankcase
The clutch-side and magneto-side crankcase halves
can be individually replaced.
They are bolted together with 6 Torx screws 1
(M5 x 30).
Pinned distortion-free with 2 spiral spring pins 2
(3 x 16 mm).
Always apply a dry new gasket 3 (038.111.042).
Cut off the excess gasket after crankcase assembly
is complete.
Replacing the radial ring
A new radial ring puller is in progress.
Fill new radial ring 5 with grease and insert in
crankcase with the special tool.
Replacing the crankshaft
Heat the crankcase clutch-side and magneto-side
to 150-160°C (302-320°F).
Evenly coat the external ring of the ball bearing 4
with “Loctite 601” and insert into the heated
crankcase without pressure.
Lubricate the big end bearing 5 with two-stroke oil.
Tool

Other manuals for Dolmar PS-6400

Related product manuals