EasyManua.ls Logo

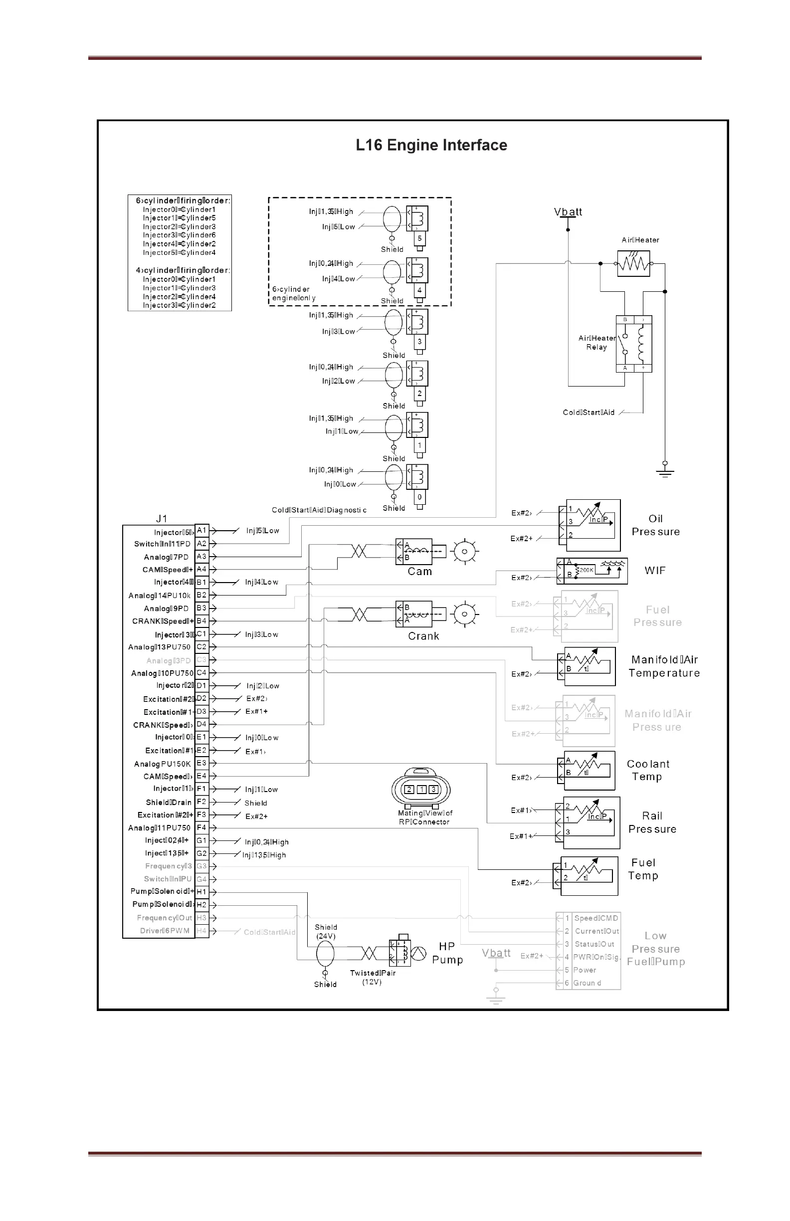
Doosan P425CWJD - John Deere Engine Models 4045 HF285 and 6068 HF285 Engine Harness Schematic

Doosan P425CWJD
139 pages
Print Icon
To Next Page IconTo Next Page
To Next Page IconTo Next Page
To Previous Page IconTo Previous Page
To Previous Page IconTo Previous Page
Loading...

Book: 23227143 (8-24-2010) Rev CPage85
John Deere Engine Models 4045HF285 and 6068HF285 Engine Harness Schematic

Table of Contents

Related product manuals