EasyManua.ls Logo

DROPSA BRAVO - Manual Version Operation Mode; Automatic Version - CYCLE Mode; Automatic Version - PULSE Mode

Default Icon
23 pages
Print Icon
To Next Page IconTo Next Page
To Next Page IconTo Next Page
To Previous Page IconTo Previous Page
To Previous Page IconTo Previous Page
Loading...
14
0 min / 99 hours
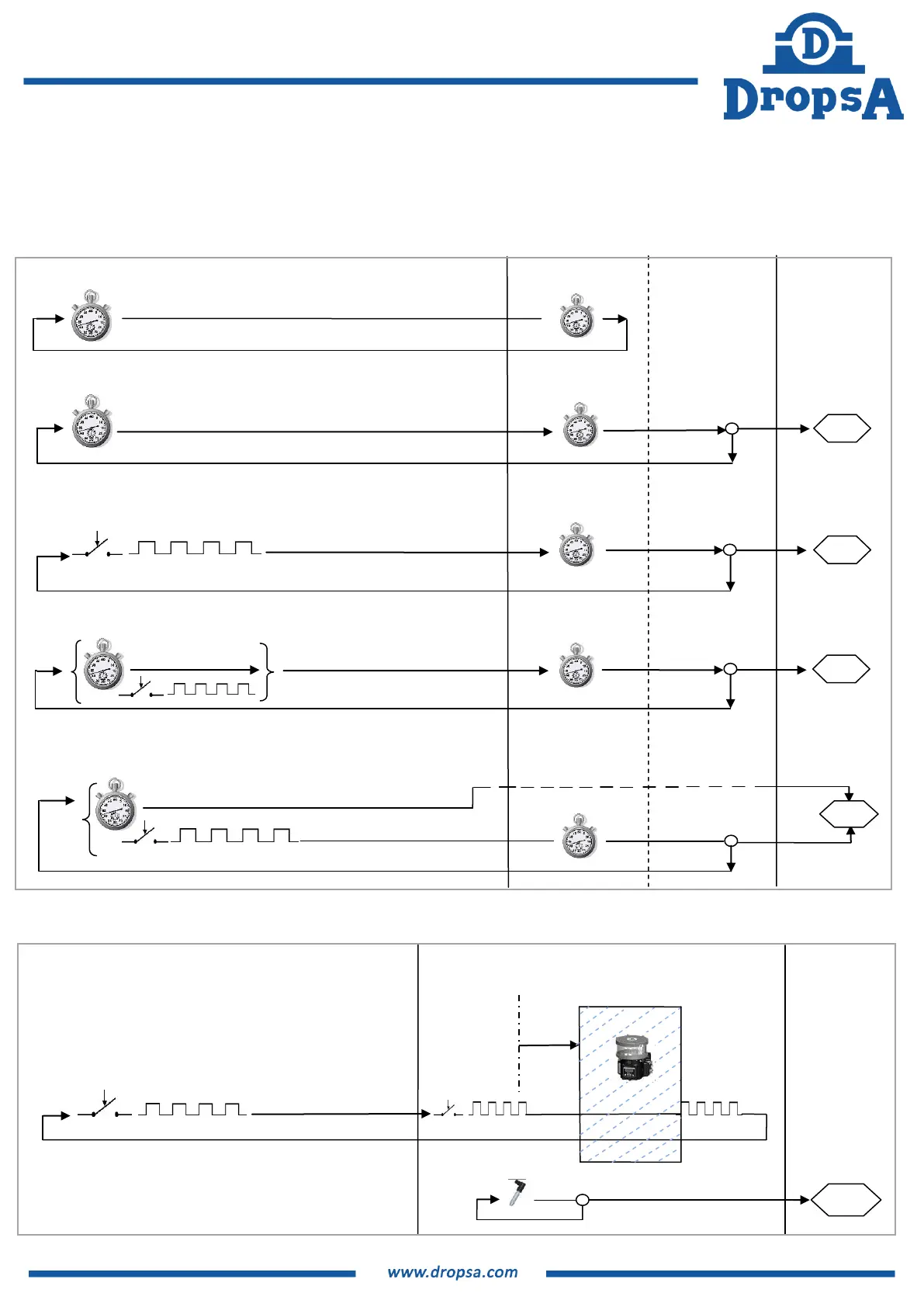
Example 1) Timer based pause and lubrication cycle
1 sec. - 99 min.
Pause time
overun
0 min / 99 hours
1 min / 99 hours
Alarm
1 min / 99 hours
[S.Min]
Suspend Mode
7.5.1 Operating mode: MANUAL VERSION
The Bravo Manual version does not have any settable feature as there is no local controller. You should arrange to control the pump
ON/OFF with a host system that activates the pump as required and monitors the lubrication system, including checking level switch
and cycle switch when installed.
7.5.2 Operation mode Automatic version Mode CYCLE
7.5.3 Operation mode Automatic version Mode PULSE
ALARM
(TIMEOUT)
yes
Whichever first
x
X
Only low level
Example 3) Pause cycle determined by external impulse. Lubrication cycle monitors cycle sensor
Ok ?
Example 2) Timer based pause. Lubrication cycle with monitoring of cycle sensor
0 60.000 cycles
No
STOP
STOP
No
Ok ?
yes
Example 4) Pause determined by either time or extend impulse
Example 5) Pause determined by extend impulse, pause time generates alarm if impulses
not received
yes
0 60.000 cycles
Ok ?
No
STOP
yes
No
1 60.000 cycles
STOP
Ok ?
[P.Hou ≥ 1; P.Cou = 0; C.Min ≥ 1; C.Cou = 0;]
[P.Hou ≥ 1; P.Cou = 0; C.Min ≥ 1;C.Cou ≥ 1;]
[P.Hou = 0; P.Cou ≥ 1; C.Min ≥ 1; C.Cou ≥ 1;]
[P.Hou ≥ 1; P.Cou ≥ 1; C.Min ≥ 1;C.Cou ≥ 1;PTOA=OFF]
[P.Hou ≥ 1; P.Cou ≥ 1; C.Min ≥ 1; C.Cou ≥ 1; PTOA=ON]
Pump stand by
Pump working
Cycle sensor
[C.Min]
ALARM
(TIMEOUT)
0 60.000 cycles
1 60.000 cycles
Pause and lubrication cycle determined by external
impulse [P.Cou ≥ 0; C.Cou ≥ 1]
● During lubrication, cycle sensor monitored to confirm
correct lubrication [C.Min ≥ 1]
C.Min determines how many min. seconds to allow for the cycle
sensor.
Lubrication cycle is suspended if external impulse not
detected within user preset time [S.Min ≥ 1]
Cycle
Sensor
yes
Ok ?
STOP
No
Z
Z
Z
Z
Z
Pump stand by
Pump working

Related product manuals